LEMON Manuals: Even more car manuals for everyone: 1960-2025
Home >> Lexus >> 2007 >> LX 470 >> Repair and Diagnosis >> Electrical >> Body Electrical >> OEM System Circuits >> Door Lock Control and Theft Deterrent >> Notes
April 5, 2026: LEMON Manuals is launched! Read the announcement.

Door Lock Control and Theft Deterrent: Notes

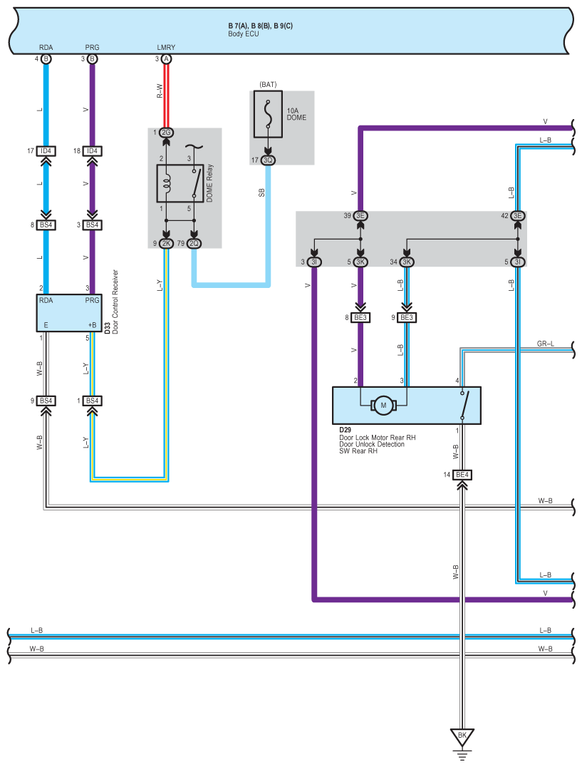
Fig 1: Door Lock Control And Theft Deterrent - Wiring Diagram (1 Of 9)
G08922842Courtesy of © TOYOTA, LICENSE AGREEMENT TMS1002
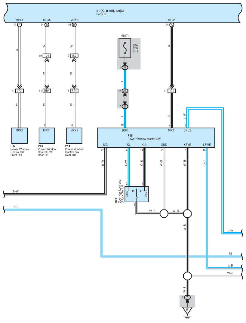
Fig 2: Door Lock Control And Theft Deterrent - Wiring Diagram (2 Of 9)
G08922843Courtesy of © TOYOTA, LICENSE AGREEMENT TMS1002
Fig 3: Door Lock Control And Theft Deterrent - Wiring Diagram (3 Of 9)
G08922844Courtesy of © TOYOTA, LICENSE AGREEMENT TMS1002
Fig 4: Door Lock Control And Theft Deterrent - Wiring Diagram (4 Of 9)
G08922845Courtesy of © TOYOTA, LICENSE AGREEMENT TMS1002
Fig 5: Door Lock Control And Theft Deterrent - Wiring Diagram (5 Of 9)
G08922846Courtesy of © TOYOTA, LICENSE AGREEMENT TMS1002
Fig 6: Door Lock Control And Theft Deterrent - Wiring Diagram (6 Of 9)
G08922847Courtesy of © TOYOTA, LICENSE AGREEMENT TMS1002
Fig 7: Door Lock Control And Theft Deterrent - Wiring Diagram (7 Of 9)
G08922848Courtesy of © TOYOTA, LICENSE AGREEMENT TMS1002
Fig 8: Door Lock Control And Theft Deterrent - Wiring Diagram (8 Of 9)
G08922849Courtesy of © TOYOTA, LICENSE AGREEMENT TMS1002
Fig 9: Door Lock Control And Theft Deterrent - Wiring Diagram (9 Of 9)
G08922850Courtesy of © TOYOTA, LICENSE AGREEMENT TMS1002