LEMON Manuals: Even more car manuals for everyone: 1960-2025
Home >> Lexus >> 2007 >> LX 470 >> Repair and Diagnosis >> Transmission >> Automatic Trans >> Automatic Transaxle >> Automatic Transmission System >> System Diagram
April 5, 2026: LEMON Manuals is launched! Read the announcement.

System Diagram

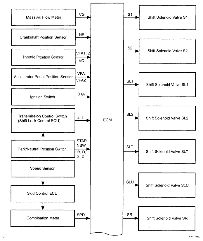
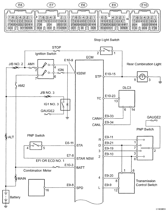
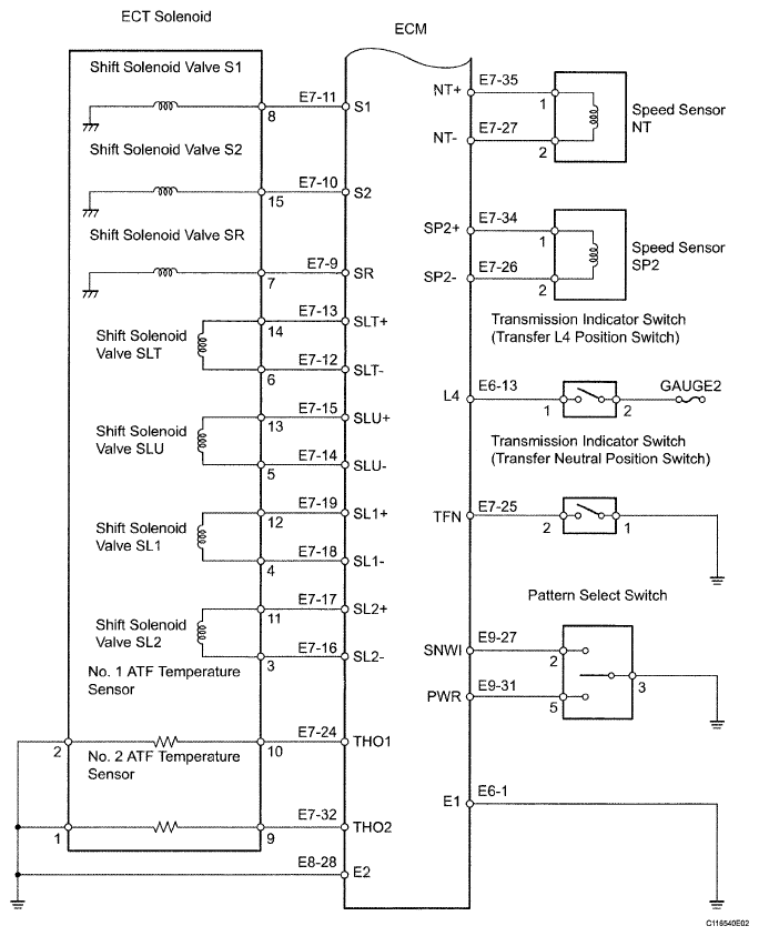
The configuration of the electronic control system in the A750F automatic transmission is as shown in the following chart.

Fig 1: Automatic Transmission System Diagram (1 Of 4)
G05282614Courtesy of © TOYOTA, LICENSE AGREEMENT TMS1002
Fig 2: Automatic Transmission System Diagram (2 Of 4)
G05282615Courtesy of © TOYOTA, LICENSE AGREEMENT TMS1002
Fig 3: System Diagram - Automatic Transmission System (3 Of 4)
G05282616Courtesy of © TOYOTA, LICENSE AGREEMENT TMS1002
Fig 4: System Diagram - Automatic Transmission System (4 Of 4)
G05282617Courtesy of © TOYOTA, LICENSE AGREEMENT TMS1002