LEMON Manuals: Even more car manuals for everyone: 1960-2025
Home >> Lexus >> 2007 >> RX 350 AWD V6-3.5L (2GR-FE) >> Repair and Diagnosis >> Powertrain Management >> Computers and Control Systems >> Relays and Modules - Computers and Control Systems >> Oxygen Sensor Relay >> Testing and Inspection
April 5, 2026: LEMON Manuals is launched! Read the announcement.

Oxygen Sensor Relay: Testing and Inspection

INSPECTION

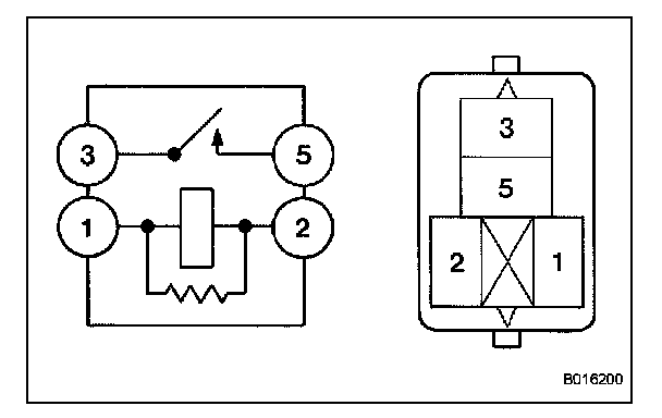
1. INSPECT AIR FUEL RATIO SENSOR RELAY







a. Using an ohmmeter, measure the resistance according to the value(s) in the table.
If the result is not as specified, replace the relay.