LEMON Manuals: Even more car manuals for everyone: 1960-2025
Home >> Lexus >> 2007 >> RX 350 AWD >> Repair and Diagnosis >> Electrical >> Charging Systems >> Charging >> Charging System >> System Diagram
April 5, 2026: LEMON Manuals is launched! Read the announcement.

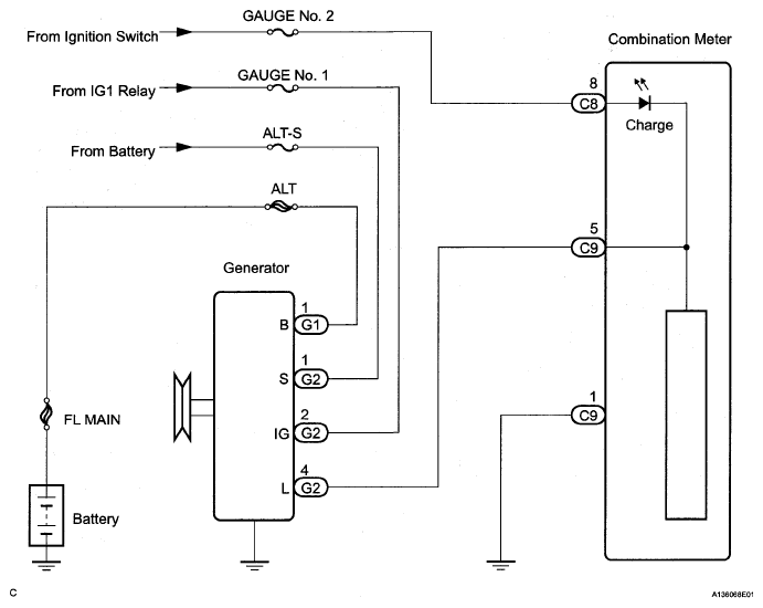
System Diagram

Fig 1: Identifying System Diagram
G05268537Courtesy of © TOYOTA, LICENSE AGREEMENT TMS1002