LEMON Manuals: Even more car manuals for everyone: 1960-2025
Home >> Lexus >> 2007 >> RX 350 AWD >> Repair and Diagnosis >> Suspension >> Suspension Control Systems >> Suspension Control >> Height Control Compressor >> Removal
April 5, 2026: LEMON Manuals is launched! Read the announcement.

Height Control Compressor: Removal

NOTE: Before disconnecting the air tube, press the height control OFF switch to stop the vehicle height control operation.
  1. REMOVE HEIGHT CONTROL COMPRESSOR COVER 
    1. Remove the 2 screws, the bolt, the clip and the height control compressor cover.
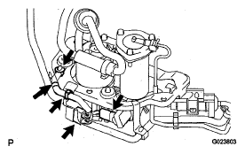
  2. DISCONNECT HEIGHT CONTROL TUBE NO.2 
    1. Remove the clip and holder.
      Fig 1: Identifying Height Control Tube With Clip & Holder
      G05269879Courtesy of © TOYOTA, LICENSE AGREEMENT TMS1002
    2. Disconnect the height control tube No. 2 from the 2 way cap.

      HINT:

      For the disconnecting procedure of the (type 3) tube, refer to PRECAUTION  ).

  3. REMOVE REAR HEIGHT CONTROL COMPRESSOR BRACKET 
    1. Remove the 3 clamps and disconnect the 2 connectors and wire harness.
      Fig 2: Identifying Connectors & Wire Harness Clamps
      G05269880Courtesy of © TOYOTA, LICENSE AGREEMENT TMS1002
    2. Remove the clamp.
    3. Disconnect the hose from the cap grommet.
      Fig 3: Identifying Hose To Cap Grommet Clamp
      G05269881Courtesy of © TOYOTA, LICENSE AGREEMENT TMS1002
    4. Remove the 3 bolts.
      Fig 4: Identifying Rear Height Control Compressor Bracket With Bolts
      G05269882Courtesy of © TOYOTA, LICENSE AGREEMENT TMS1002
    5. Slide the rear height control compressor bracket to the front of the vehicle, and release the claws A and B from the height control compressor bracket.
    6. Remove the rear height control compressor w/ bracket assembly.
      Fig 5: Identifying Rear Height Control Compressor With Bracket Assembly
      G05269883Courtesy of © TOYOTA, LICENSE AGREEMENT TMS1002
  4. REMOVE HEIGHT CONTROL FILTER 
    1. Remove the clamp, 2 clips and 2 hoses.
    2. Remove the height control filter.
  5. REMOVE REAR HEIGHT CONTROL COMPRESSOR BRACKET 
    1. Remove the 3 clamps.
      Fig 6: Identifying Rear Height Control Compressor Bracket With Clamps
      G05269884Courtesy of © TOYOTA, LICENSE AGREEMENT TMS1002
    2. Remove the 3 bolts and the 3 height control compressor bush No. 2 from the rear height control compressor bracket.
  6. REMOVE HEIGHT CONTROL DRYER ASSEMBLY 
    1. Remove the clip and holder.
    2. Remove the height control tube No. 2 from the height control dryer assembly.
      Fig 7: Identifying Height Control Tube
      G05269885Courtesy of © TOYOTA, LICENSE AGREEMENT TMS1002
    3. Remove the bolt and the height control dryer assembly from the height control compressor assembly.
      Fig 8: Identifying Bolt On Height Control Dryer Assembly
      G05269886Courtesy of © TOYOTA, LICENSE AGREEMENT TMS1002
  7. REMOVE HEIGHT CONTROL COMPRESSOR ASSEMBLY 
    1. Remove the O-ring.
      Fig 9: Identifying O-Ring
      G05269887Courtesy of © TOYOTA, LICENSE AGREEMENT TMS1002

      HINT:

      When the height control compressor assembly is replaced with a new one, it doesn't require a new O-ring.