LEMON Manuals: Even more car manuals for everyone: 1960-2025
Home >> Lexus >> 2007 >> RX 350 FWD >> Repair and Diagnosis >> Electrical >> Body Electrical >> OEM System Circuits >> Remote Control Mirror and Mirror Heater with Memory >> Notes
April 5, 2026: LEMON Manuals is launched! Read the announcement.

Remote Control Mirror and Mirror Heater with Memory: Notes

Fig 1: Remote Control Mirror And Mirror Heater With Memory - Wiring Diagram (1 Of 7)
G08922046Courtesy of © TOYOTA, LICENSE AGREEMENT TMS1002
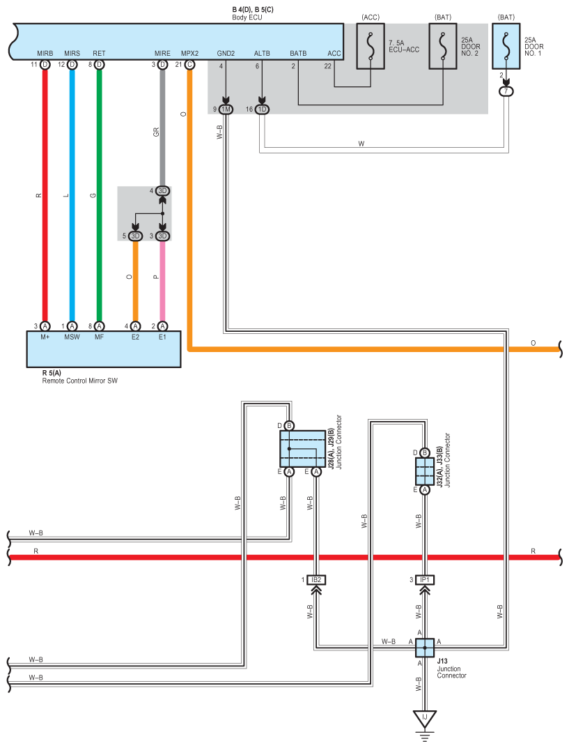
Fig 2: Remote Control Mirror And Mirror Heater With Memory - Wiring Diagram (2 Of 7)
G08922047Courtesy of © TOYOTA, LICENSE AGREEMENT TMS1002
Fig 3: Remote Control Mirror And Mirror Heater With Memory - Wiring Diagram (3 Of 7)
G08922048Courtesy of © TOYOTA, LICENSE AGREEMENT TMS1002
Fig 4: Remote Control Mirror And Mirror Heater With Memory - Wiring Diagram (4 Of 7)
G08922049Courtesy of © TOYOTA, LICENSE AGREEMENT TMS1002
Fig 5: Remote Control Mirror And Mirror Heater With Memory - Wiring Diagram (5 Of 7)
G08922050Courtesy of © TOYOTA, LICENSE AGREEMENT TMS1002
Fig 6: Remote Control Mirror And Mirror Heater With Memory - Wiring Diagram (6 Of 7)
G08922051Courtesy of © TOYOTA, LICENSE AGREEMENT TMS1002
Fig 7: Remote Control Mirror And Mirror Heater With Memory - Wiring Diagram (7 Of 7)
G08922052Courtesy of © TOYOTA, LICENSE AGREEMENT TMS1002