LEMON Manuals: Even more car manuals for everyone: 1960-2025
Home >> Lexus >> 2007 >> RX 350 FWD >> Repair and Diagnosis >> Engine Performance >> Engine Control System >> SFI System >> MIL Circuit >> Wiring Diagram
April 5, 2026: LEMON Manuals is launched! Read the announcement.

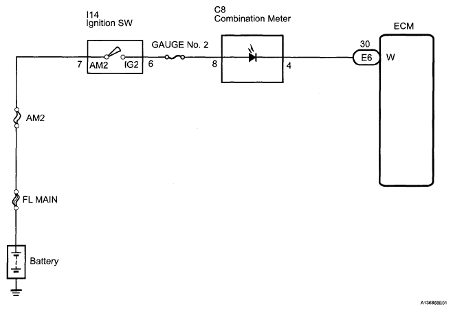
MIL Circuit: Wiring Diagram

Fig 1: MIL Circuit - Wiring Diagram
G05268262Courtesy of © TOYOTA, LICENSE AGREEMENT TMS1002