LEMON Manuals: Even more car manuals for everyone: 1960-2025
Home >> Lexus >> 2007 >> RX 400h AWD >> Repair and Diagnosis (Single Page) >> Electrical >> Body Electrical >> OEM System Circuits >> Shift Control System >> Notes
April 5, 2026: LEMON Manuals is launched! Read the announcement.

Shift Control System: Notes

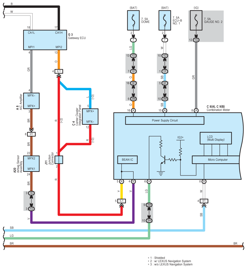
Fig 1: Shift Control System - Wiring Diagram (1 Of 9)
G08932906Courtesy of © TOYOTA, LICENSE AGREEMENT TMS1002
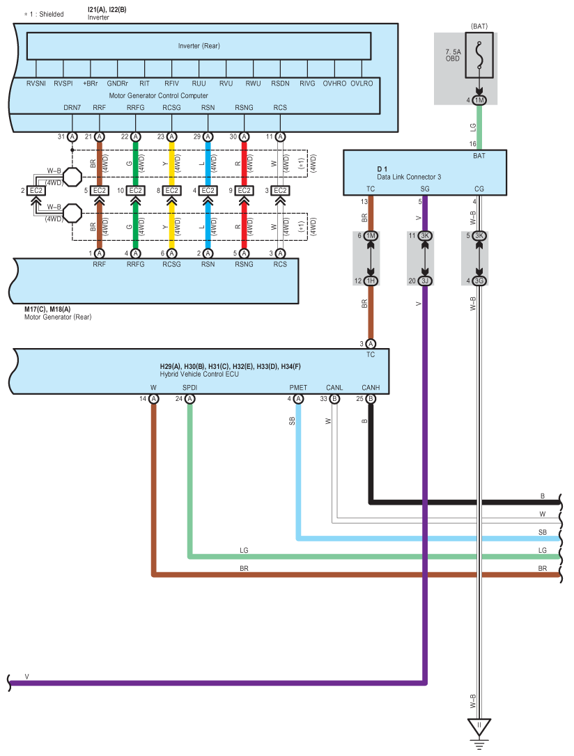
Fig 2: Shift Control System - Wiring Diagram (2 Of 9)
G08932907Courtesy of © TOYOTA, LICENSE AGREEMENT TMS1002
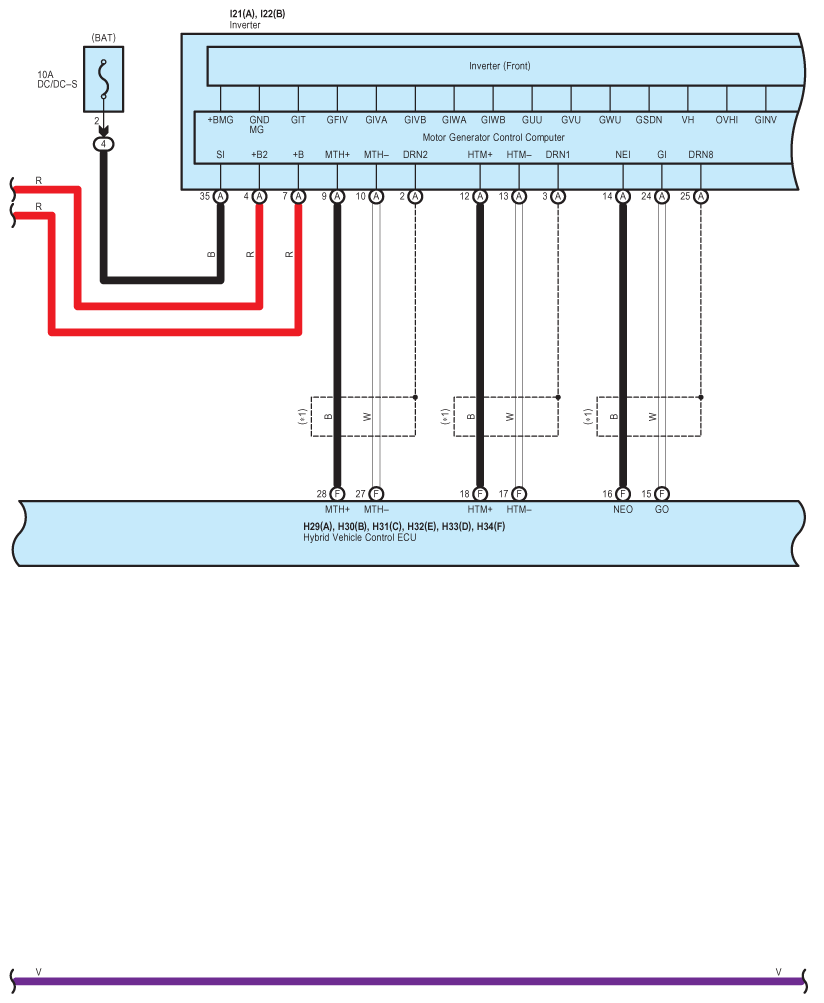
Fig 3: Shift Control System - Wiring Diagram (3 Of 9)
G08932908Courtesy of © TOYOTA, LICENSE AGREEMENT TMS1002
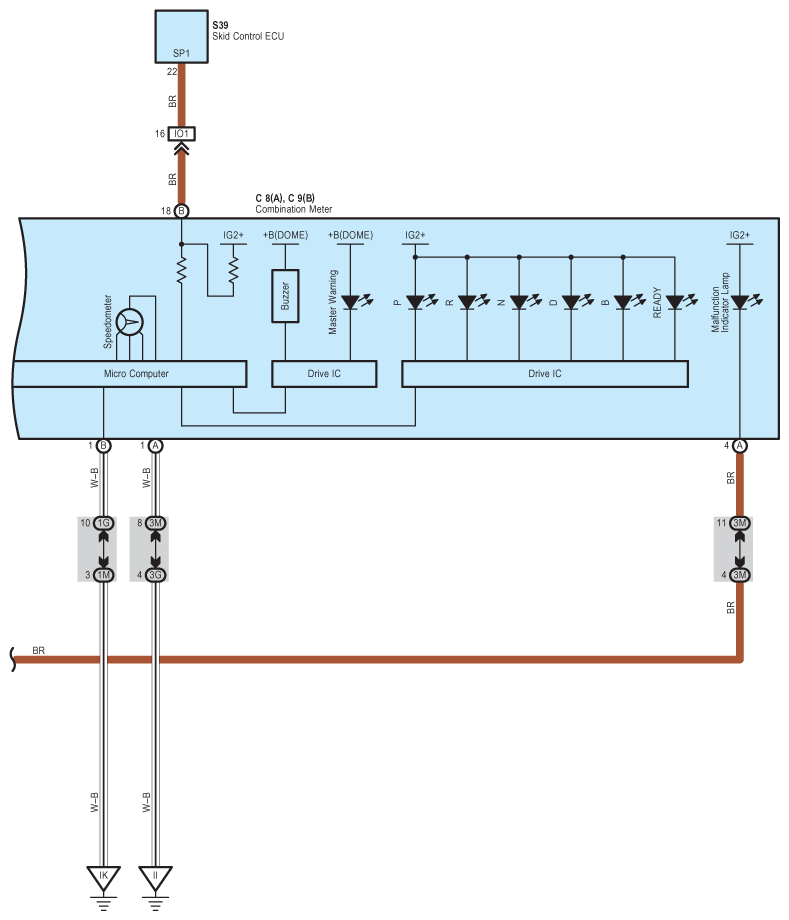
Fig 4: Shift Control System - Wiring Diagram (4 Of 9)
G08932909Courtesy of © TOYOTA, LICENSE AGREEMENT TMS1002
Fig 5: Shift Control System - Wiring Diagram (5 Of 9)
G08932910Courtesy of © TOYOTA, LICENSE AGREEMENT TMS1002
Fig 6: Shift Control System - Wiring Diagram (6 Of 9)
G08932911Courtesy of © TOYOTA, LICENSE AGREEMENT TMS1002
Fig 7: Shift Control System - Wiring Diagram (7 Of 9)
G08932912Courtesy of © TOYOTA, LICENSE AGREEMENT TMS1002
Fig 8: Shift Control System - Wiring Diagram (8 Of 9)
G08932913Courtesy of © TOYOTA, LICENSE AGREEMENT TMS1002
Fig 9: Shift Control System - Wiring Diagram (9 Of 9)
G08932914Courtesy of © TOYOTA, LICENSE AGREEMENT TMS1002