LEMON Manuals: Even more car manuals for everyone: 1960-2025
Home >> Lexus >> 2007 >> RX 400h AWD >> Repair and Diagnosis (Single Page) >> External Pages >> Different car >> Section 931 (Engine Control System - System And Component Testing) >> EVAP System (2005/05-2006/01) >> Wiring Diagram
April 5, 2026: LEMON Manuals is launched! Read the announcement.

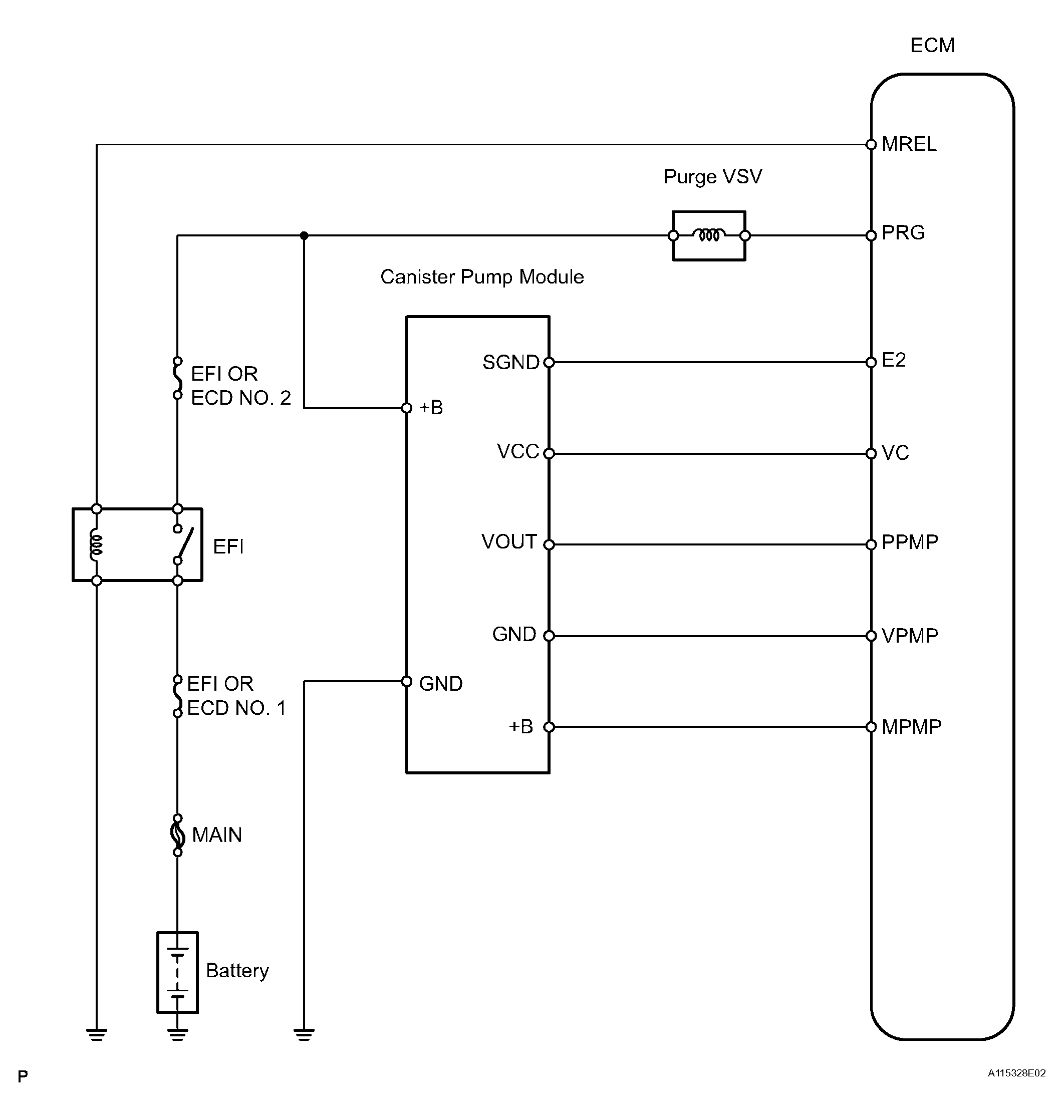
EVAP System (2005/05-2006/01): Wiring Diagram

WARNING: This page is about a different car, the 2006 Toyota Land Cruiser. However, it is still accessible from the selected car via links, so may be relevant.
Fig 1: EVAP System - Wiring Diagram
G04435411Courtesy of © TOYOTA, LICENSE AGREEMENT TMS1002