LEMON Manuals: Even more car manuals for everyone: 1960-2025
Home >> Lexus >> 2007 >> RX 400h AWD >> Repair and Diagnosis >> Electrical >> Body Electrical >> OEM System Circuits >> Audio System except MARK LEVINSON >> Notes
April 5, 2026: LEMON Manuals is launched! Read the announcement.

Audio System except MARK LEVINSON: Notes

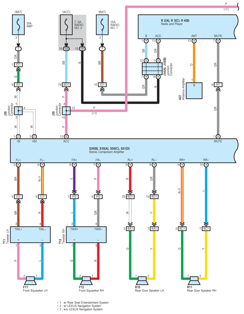
Fig 1: Audio System Except Mark Levinson - Wiring Diagram (1 Of 6)
G08933111Courtesy of © TOYOTA, LICENSE AGREEMENT TMS1002
Fig 2: Audio System Except Mark Levinson - Wiring Diagram (2 Of 6)
G08933112Courtesy of © TOYOTA, LICENSE AGREEMENT TMS1002
Fig 3: Audio System Except Mark Levinson - Wiring Diagram (3 Of 6)
G08933113Courtesy of © TOYOTA, LICENSE AGREEMENT TMS1002
Fig 4: Audio System Except Mark Levinson - Wiring Diagram (4 Of 6)
G08933114Courtesy of © TOYOTA, LICENSE AGREEMENT TMS1002
Fig 5: Audio System Except Mark Levinson - Wiring Diagram (5 Of 6)
G08933115Courtesy of © TOYOTA, LICENSE AGREEMENT TMS1002
Fig 6: Audio System Except Mark Levinson - Wiring Diagram (6 Of 6)
G08933116Courtesy of © TOYOTA, LICENSE AGREEMENT TMS1002