LEMON Manuals: Even more car manuals for everyone: 1960-2025
Home >> Lexus >> 2007 >> RX 400h AWD >> Repair and Diagnosis >> External Pages >> Different car >> Section 272 (Emission Control System) >> Emission Control System >> System Diagram
April 5, 2026: LEMON Manuals is launched! Read the announcement.

System Diagram

WARNING: This page is about a different car, the 2008 Toyota FJ Cruiser. However, it is still accessible from the selected car via links, so may be relevant.
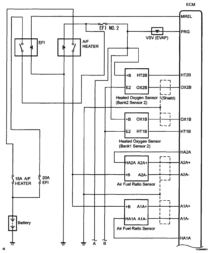
Fig 1: Identifying Emission Control System Diagram (1 Of 2)
G05109730Courtesy of © TOYOTA, LICENSE AGREEMENT TMS1002
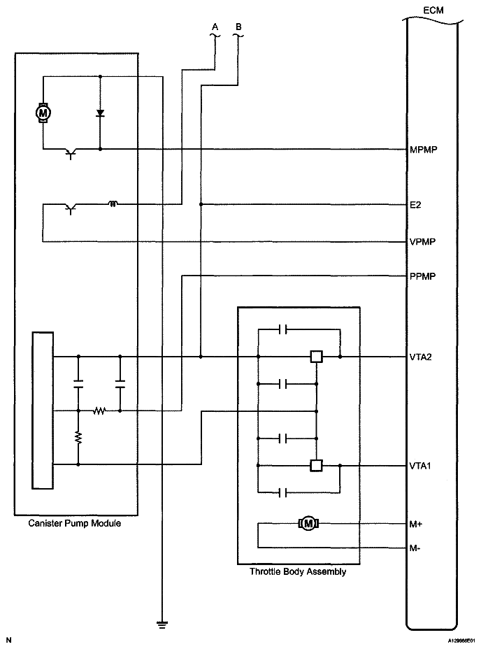
Fig 2: Identifying Emission Control System Diagram (2 Of 2)
G05109731Courtesy of © TOYOTA, LICENSE AGREEMENT TMS1002