LEMON Manuals: Even more car manuals for everyone: 1960-2025
Home >> Lexus >> 2007 >> RX 400h AWD >> Repair and Diagnosis >> External Pages >> Different car >> Section 286 (Intake) >> Intake System >> System Diagram
April 5, 2026: LEMON Manuals is launched! Read the announcement.

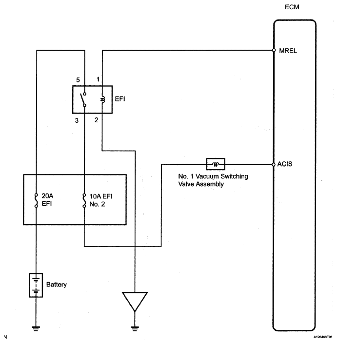
System Diagram

WARNING: This page is about a different car, the 2008 Toyota FJ Cruiser. However, it is still accessible from the selected car via links, so may be relevant.
Fig 1: Identifying Intake System Diagram
G05109786Courtesy of © TOYOTA, LICENSE AGREEMENT TMS1002