LEMON Manuals: Even more car manuals for everyone: 1960-2025
Home >> Lexus >> 2007 >> RX 400h AWD >> Repair and Diagnosis >> External Pages >> Different car >> Section 311 (Audio System & Visual System) >> Audio And Visual System >> Speaker Circuit >> Wiring Diagram
April 5, 2026: LEMON Manuals is launched! Read the announcement.

Speaker Circuit: Wiring Diagram

WARNING: This page is about a different car, the 2008 Toyota FJ Cruiser. However, it is still accessible from the selected car via links, so may be relevant.
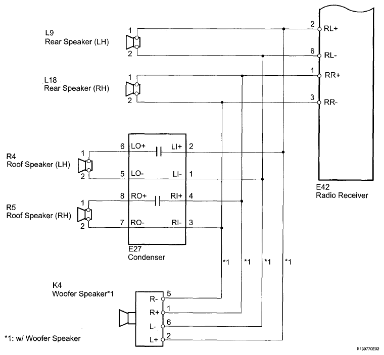
Fig 1: Speaker - Wiring Diagram (1 Of 2)
G05581034Courtesy of © TOYOTA, LICENSE AGREEMENT TMS1002
Fig 2: Speaker - Wiring Diagram (2 Of 2)
G05581035Courtesy of © TOYOTA, LICENSE AGREEMENT TMS1002