LEMON Manuals: Even more car manuals for everyone: 1960-2025
Home >> Lexus >> 2007 >> RX 400h AWD >> Repair and Diagnosis >> External Pages >> Different car >> Section 32 (Lighting) >> Lighting System >> System Diagram
April 5, 2026: LEMON Manuals is launched! Read the announcement.

System Diagram

WARNING: This page is about a different car, the 2006 Lexus RX 400h. However, it is still accessible from the selected car via links, so may be relevant.
Fig 1: Headlight Beam Level Control System Diagram
G04114913Courtesy of © TOYOTA, LICENSE AGREEMENT TMS1002
Fig 2: AFS System Diagram
G04114914Courtesy of © TOYOTA, LICENSE AGREEMENT TMS1002
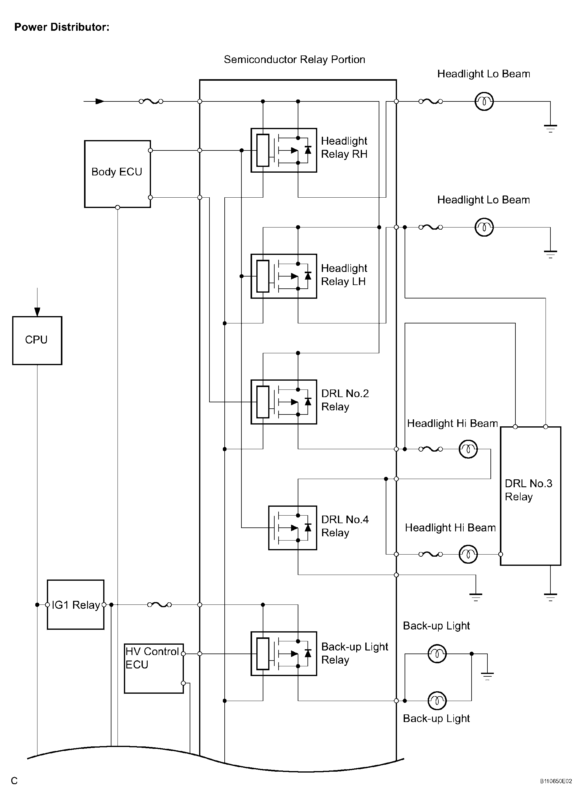
Fig 3: Power Distribution System Diagram (1 Of 2)
G04114915Courtesy of © TOYOTA, LICENSE AGREEMENT TMS1002
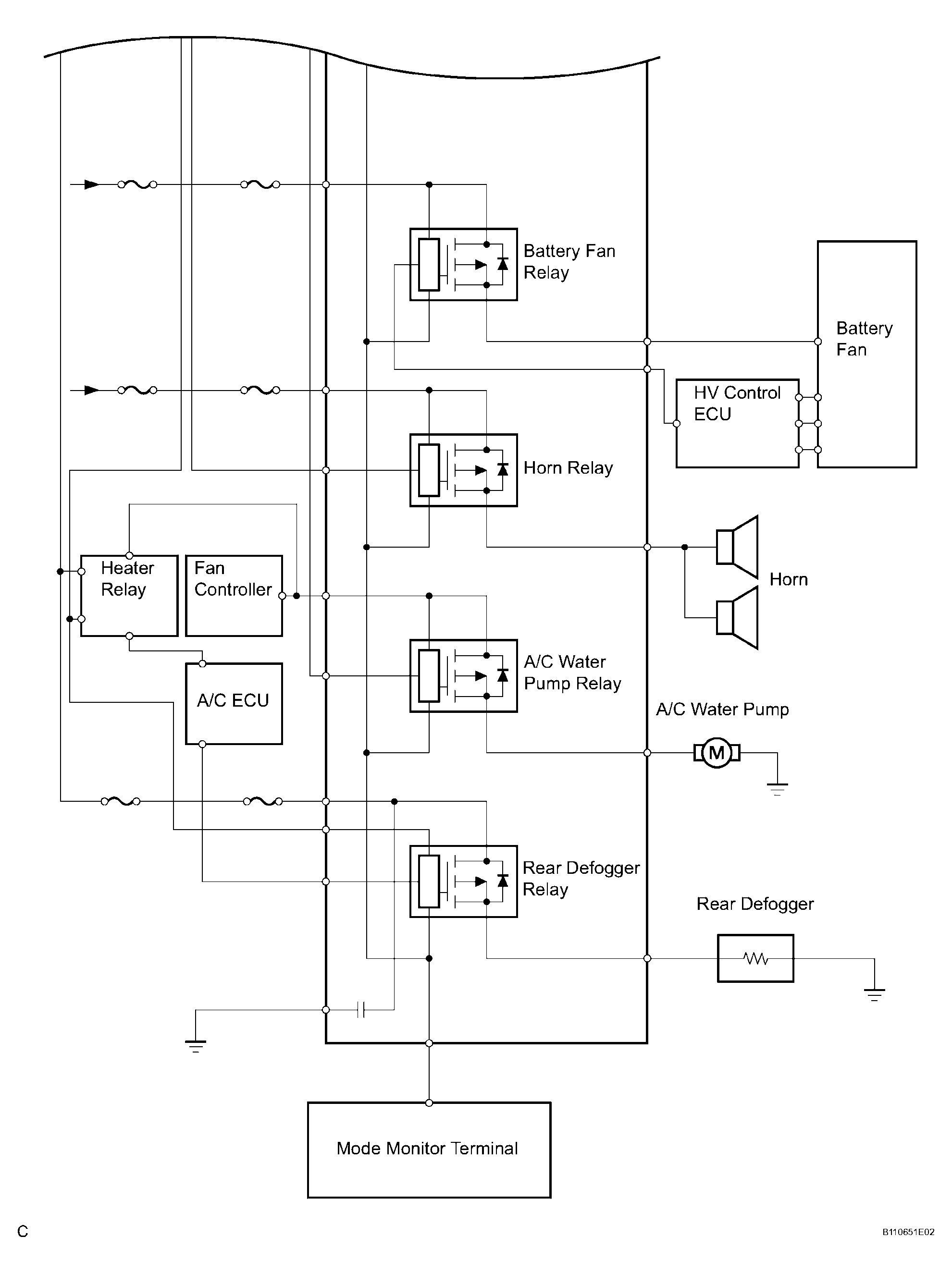
Fig 4: Power Distribution System Diagram (2 Of 2)
G04114916Courtesy of © TOYOTA, LICENSE AGREEMENT TMS1002