LEMON Manuals: Even more car manuals for everyone: 1960-2025
Home >> Lexus >> 2007 >> RX 400h AWD >> Repair and Diagnosis >> External Pages >> Different car >> Section 79 (Multiplex Communication) >> Multiplex Communication System >> Diagnosis System
April 5, 2026: LEMON Manuals is launched! Read the announcement.

Diagnosis System

WARNING: This page is about a different car, the 2006 Toyota Land Cruiser. However, it is still accessible from the selected car via links, so may be relevant.
  1. DIAGNOSIS SYSTEM 
    1. As shown in Fig 1 , all ECUs on this vehicle are connected to each other via communication buses through which various signals are transmitted. These communication buses are diagnosed by the multiplex network body ECU.

      When the multiplex network body ECU detects a communication error between ECUs, or +B short or GND short of a communication bus, a DTC is output and stored. The multiplex network body ECU cannot diagnose accurately unless it can function normally. Therefore, first confirm the normal condition by performing the "BASIC INSPECTION" described later, and then, troubleshoot each DTC.

      Fig 1: Multiplex Communication Diagnosis System
      G04439140Courtesy of © TOYOTA, LICENSE AGREEMENT TMS1002
    2. If DTC of ECU communication stop is output, connectors may be disconnected, or communication buses may be open at 2 points. It will not become abnormal with only 1 communication bus open.
      Fig 2: ECU Communication Diagram
      G04439141Courtesy of © TOYOTA, LICENSE AGREEMENT TMS1002
    3. If 2 communication buses are open at the position as shown in the illustration, DTC of ECU communication stop between those 2 buses is output.
      Fig 3: Multiplex Communication System Diagram
      G04439142Courtesy of © TOYOTA, LICENSE AGREEMENT TMS1002
  2. DESCRIPTION 
    1. The multiplex network body ECU controls the function of the multiplex communication system of the vehicle. Data of the multiplex communication system and the Diagnostic Trouble Codes (DTC) can be read through the Data Link Connector 3 (DLC3) of the vehicle.
  3. CHECK DLC3 

    HINT:

    The vehicle uses ISO 9141-2 communication protocol. The terminal arrangement of the DLC3 complies with SAE J1962 and matches the ISO 9141-2 format.

    Fig 4: Checking DLC3
    G04439143Courtesy of © TOYOTA, LICENSE AGREEMENT TMS1002
    DLC3

    Symbols (Terminal No.) Terminal Description Condition Specified Condition
    SIL (7) - SG (5) Bus "+" line During transmission Pulse generation
    BAT (16) - Body ground Battery positive Always 10 to 14 V
    CG (4) - Body ground Chassis ground Always Below 1 Ω
    SG (5) - Body ground Signal ground Always Below 1 Ω

    If the result is not as specified, the DLC3 may have a malfunction. Repair or replace the harness and connector.

    HINT:

    Connect the cable of the intelligent tester (with CAN VIM) to the DLC3, turn the ignition switch ON and attempt to use the tester. If the screen displays the message UNABLE TO CONNECT TO VEHICLE, there is a problem either with the vehicle or with the tester.

    • If communication is normal when the tester is connected to another vehicle, inspect the DLC3 of the original vehicle.
    • If communication is still not possible when the tester is connected to another vehicle, the problem may be in the tester itself. Consult the Service Department listed in the tester's instruction information.
    Fig 5: Connecting Intelligent Tester To DLC3
    G04064541Courtesy of © TOYOTA, LICENSE AGREEMENT TMS1002
  4. BASIC INSPECTION (INSPECT BODY ECU) 
  1. CHECK THAT DTC CAN BE READ FROM MULTIPLEX NETWORK BODY ECU 

    OK: GO TO STEP   3 

    NG: GO TO NEXT STEP 

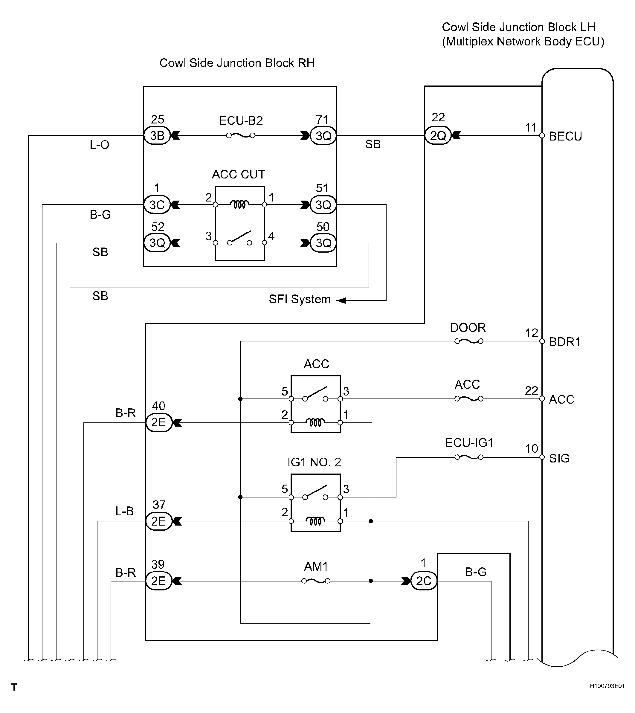
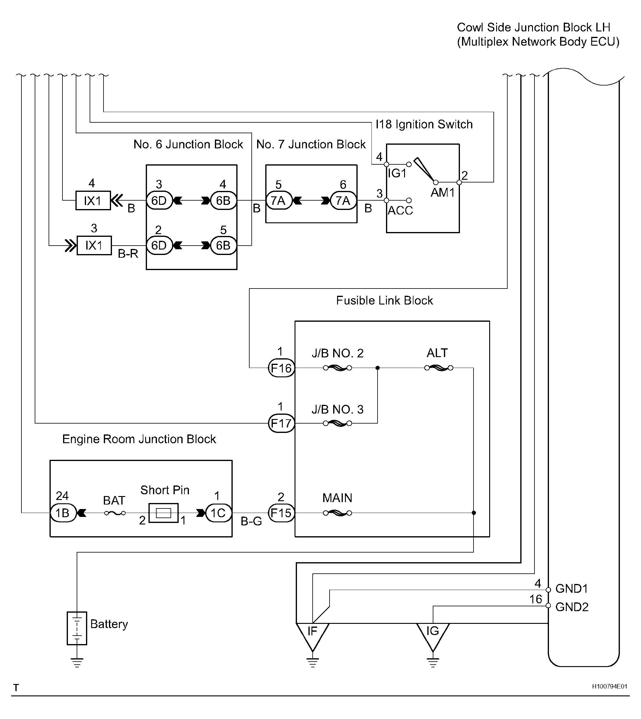
  2. CHECK MULTIPLEX NETWORK BODY ECU POWER SOURCE CIRCUIT 
    Fig 6: Checking Multiplex Network Body ECU Power Source Circuit (1 Of 2)
    G04439145Courtesy of © TOYOTA, LICENSE AGREEMENT TMS1002
    Fig 7: Checking Multiplex Network Body ECU Power Source Circuit (2 Of 2)
    G04439146Courtesy of © TOYOTA, LICENSE AGREEMENT TMS1002
    1. Disconnect the multiplex network body ECU connector.
    2. Check voltage (terminal BECU/, BDR1/SIG and GND1/GND2).

      Standard voltage: 10 to 14 V 

    3. Check the continuity (terminal GND1/GND2 and body ground.

      OK: There is a continuity between the connectors. 

    4. Turn the ignition switch ON.
    5. Check voltage (terminal ACC and GND1/GND 2).

      Standard voltage: 10 to 14 V 

    NG: REPAIR OR REPLACE HARNESS AND CONNECTOR 

    OK: GO TO NEXT STEP 

  3. CHECK WIRE HARNESS (MULTIPLEX NETWORK BODY ECU - DLC3) 
    Fig 8: Checking Wire Harness (Multiplex Network Body ECU - DLC3)
    G04439147Courtesy of © TOYOTA, LICENSE AGREEMENT TMS1002

    HINT:

    If there is a failure in the SIL line, the intelligent tester cannot communicate with the ECM.

    NG: REPAIR OR REPLACE HARNESS AND CONNECTOR 

    OK: REPLACE MULTIPLEX NETWORK BODY ECU