LEMON Manuals: Even more car manuals for everyone: 1960-2025
Home >> Lexus >> 2007 >> RX 400h FWD >> Repair and Diagnosis >> Electrical >> Body Electrical >> OEM System Circuits >> Hybrid System >> Notes
April 5, 2026: LEMON Manuals is launched! Read the announcement.

Hybrid System: Notes

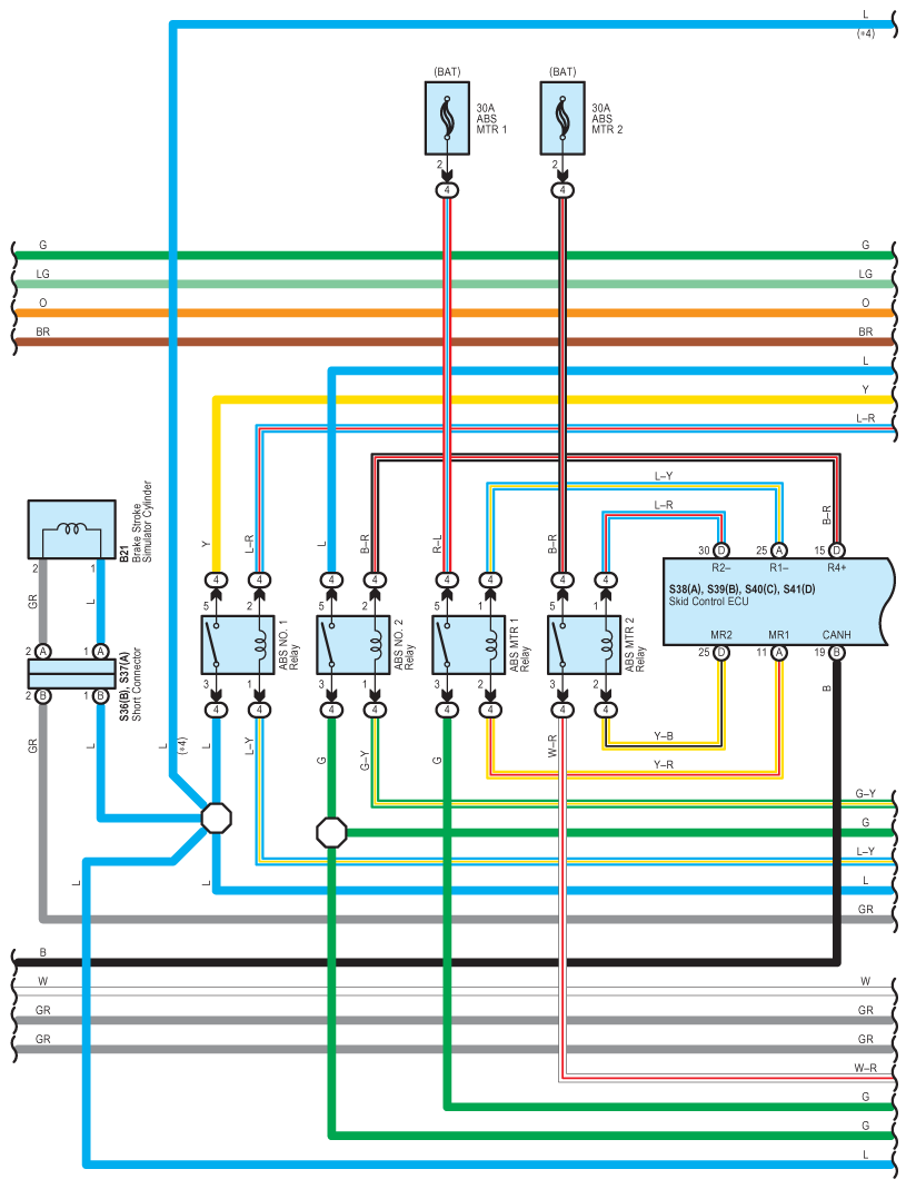
Fig 1: Hybrid System - Wiring Diagram (1 Of 25)
G08932863Courtesy of © TOYOTA, LICENSE AGREEMENT TMS1002
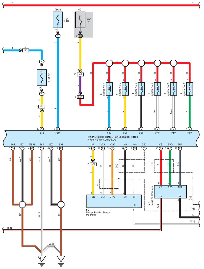
Fig 2: Hybrid System - Wiring Diagram (2 Of 25)
G08932864Courtesy of © TOYOTA, LICENSE AGREEMENT TMS1002
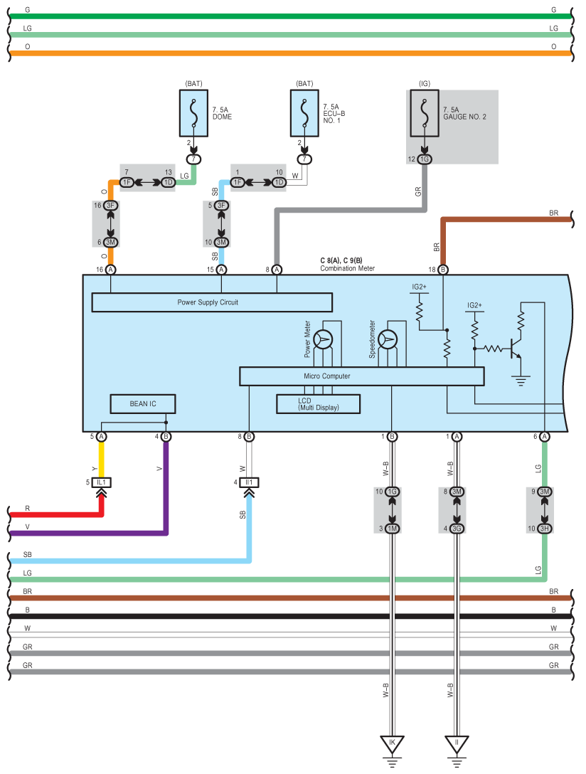
Fig 3: Hybrid System - Wiring Diagram (3 Of 25)
G08932865Courtesy of © TOYOTA, LICENSE AGREEMENT TMS1002
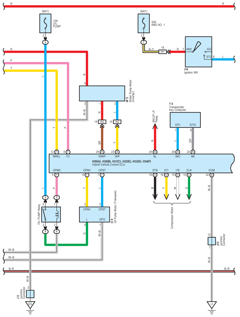
Fig 4: Hybrid System - Wiring Diagram (4 Of 25)
G08932866Courtesy of © TOYOTA, LICENSE AGREEMENT TMS1002
Fig 5: Hybrid System - Wiring Diagram (5 Of 25)
G08932867Courtesy of © TOYOTA, LICENSE AGREEMENT TMS1002
Fig 6: Hybrid System - Wiring Diagram (6 Of 25)
G08932868Courtesy of © TOYOTA, LICENSE AGREEMENT TMS1002
Fig 7: Hybrid System - Wiring Diagram (7 Of 25)
G08932869Courtesy of © TOYOTA, LICENSE AGREEMENT TMS1002
Fig 8: Hybrid System - Wiring Diagram (8 Of 25)
G08932870Courtesy of © TOYOTA, LICENSE AGREEMENT TMS1002
Fig 9: Hybrid System - Wiring Diagram (9 Of 25)
G08932871Courtesy of © TOYOTA, LICENSE AGREEMENT TMS1002
Fig 10: Hybrid System - Wiring Diagram (10 Of 25)
G08932872Courtesy of © TOYOTA, LICENSE AGREEMENT TMS1002
Fig 11: Hybrid System - Wiring Diagram (11 Of 25)
G08932873Courtesy of © TOYOTA, LICENSE AGREEMENT TMS1002
Fig 12: Hybrid System - Wiring Diagram (12 Of 25)
G08932874Courtesy of © TOYOTA, LICENSE AGREEMENT TMS1002
Fig 13: Hybrid System - Wiring Diagram (13 Of 25)
G08932875Courtesy of © TOYOTA, LICENSE AGREEMENT TMS1002
Fig 14: Hybrid System - Wiring Diagram (14 Of 25)
G08932876Courtesy of © TOYOTA, LICENSE AGREEMENT TMS1002
Fig 15: Hybrid System - Wiring Diagram (15 Of 25)
G08932877Courtesy of © TOYOTA, LICENSE AGREEMENT TMS1002
Fig 16: Hybrid System - Wiring Diagram (16 Of 25)
G08932878Courtesy of © TOYOTA, LICENSE AGREEMENT TMS1002
Fig 17: Hybrid System - Wiring Diagram (17 Of 25)
G08932879Courtesy of © TOYOTA, LICENSE AGREEMENT TMS1002
Fig 18: Hybrid System - Wiring Diagram (18 Of 25)
G08932880Courtesy of © TOYOTA, LICENSE AGREEMENT TMS1002
Fig 19: Hybrid System - Wiring Diagram (19 Of 25)
G08932881Courtesy of © TOYOTA, LICENSE AGREEMENT TMS1002
Fig 20: Hybrid System - Wiring Diagram (20 Of 25)
G08932882Courtesy of © TOYOTA, LICENSE AGREEMENT TMS1002
Fig 21: Hybrid System - Wiring Diagram (21 Of 25)
G08932883Courtesy of © TOYOTA, LICENSE AGREEMENT TMS1002
Fig 22: Hybrid System - Wiring Diagram (22 Of 25)
G08932884Courtesy of © TOYOTA, LICENSE AGREEMENT TMS1002
Fig 23: Hybrid System - Wiring Diagram (23 Of 25)
G08932885Courtesy of © TOYOTA, LICENSE AGREEMENT TMS1002
Fig 24: Hybrid System - Wiring Diagram (24 Of 25)
G08932886Courtesy of © TOYOTA, LICENSE AGREEMENT TMS1002
Fig 25: Hybrid System - Wiring Diagram (25 Of 25)
G08932887Courtesy of © TOYOTA, LICENSE AGREEMENT TMS1002