LEMON Manuals: Even more car manuals for everyone: 1960-2025
Home >> Lexus >> 2007 >> RX 400h FWD >> Repair and Diagnosis >> Electrical >> Body Electrical >> OEM System Circuits >> Mirror Heater without Memory >> Notes
April 5, 2026: LEMON Manuals is launched! Read the announcement.

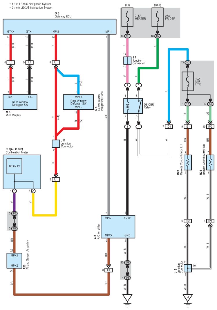
Mirror Heater without Memory: Notes

Fig 1: Mirror Heater Without Memory - Circuit Diagram
G08933074Courtesy of © TOYOTA, LICENSE AGREEMENT TMS1002