LEMON Manuals: Even more car manuals for everyone: 1960-2025
Home >> Lexus >> 2007 >> RX 400h FWD >> Repair and Diagnosis >> Electrical >> Body Electrical >> OEM System Circuits >> Power Back Door >> Notes
April 5, 2026: LEMON Manuals is launched! Read the announcement.

Power Back Door: Notes

Fig 1: Power Back Door - Wiring Diagram (1 Of 6)
G08933049Courtesy of © TOYOTA, LICENSE AGREEMENT TMS1002
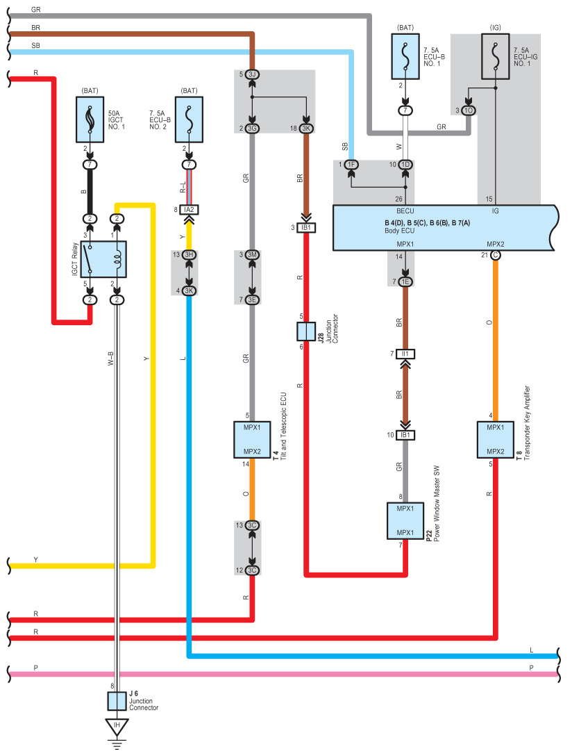
Fig 2: Power Back Door - Wiring Diagram (2 Of 6)
G08933050Courtesy of © TOYOTA, LICENSE AGREEMENT TMS1002
Fig 3: Power Back Door - Wiring Diagram (3 Of 6)
G08933051Courtesy of © TOYOTA, LICENSE AGREEMENT TMS1002
Fig 4: Power Back Door - Wiring Diagram (4 Of 6)
G08933052Courtesy of © TOYOTA, LICENSE AGREEMENT TMS1002
Fig 5: Power Back Door - Wiring Diagram (5 Of 6)
G08933053Courtesy of © TOYOTA, LICENSE AGREEMENT TMS1002
Fig 6: Power Back Door - Wiring Diagram (6 Of 6)
G08933054Courtesy of © TOYOTA, LICENSE AGREEMENT TMS1002