LEMON Manuals: Even more car manuals for everyone: 1960-2025
Home >> Lexus >> 2007 >> RX 400h FWD >> Repair and Diagnosis >> Electrical >> Body Electrical >> OEM System Circuits >> Wireless Door Lock Control >> Notes
April 5, 2026: LEMON Manuals is launched! Read the announcement.

Wireless Door Lock Control: Notes

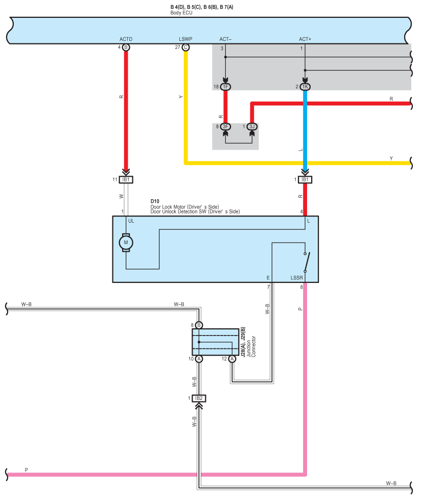
Fig 1: Wireless Door Lock Control - Wiring Diagram (1 Of 10)
G08933030Courtesy of © TOYOTA, LICENSE AGREEMENT TMS1002
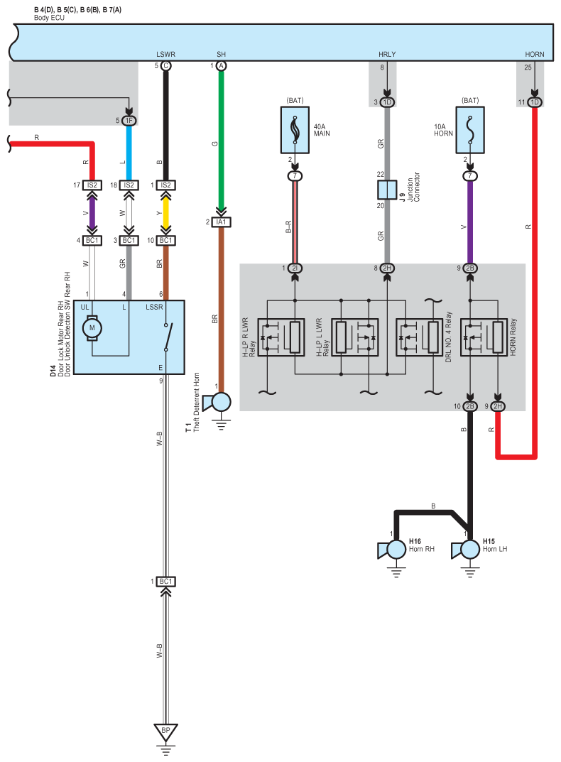
Fig 2: Wireless Door Lock Control - Wiring Diagram (2 Of 10)
G08933031Courtesy of © TOYOTA, LICENSE AGREEMENT TMS1002
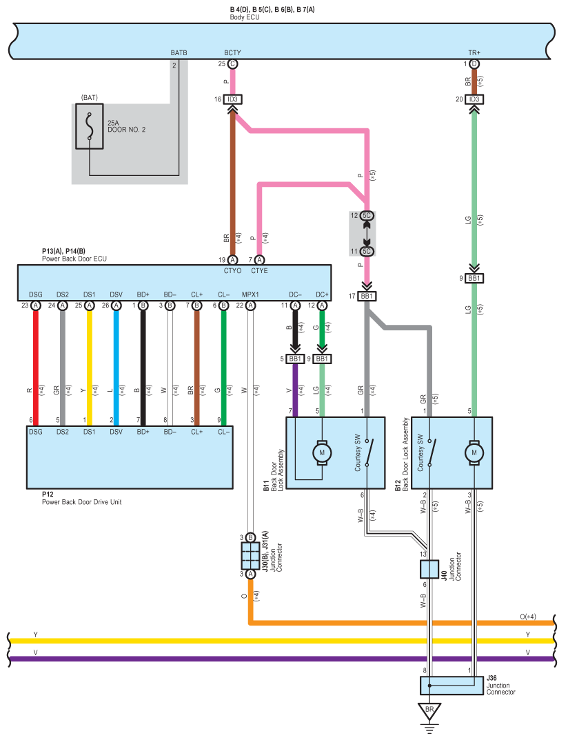
Fig 3: Wireless Door Lock Control - Wiring Diagram (3 Of 10)
G08933032Courtesy of © TOYOTA, LICENSE AGREEMENT TMS1002
Fig 4: Wireless Door Lock Control - Wiring Diagram (4 Of 10)
G08933033Courtesy of © TOYOTA, LICENSE AGREEMENT TMS1002
Fig 5: Wireless Door Lock Control - Wiring Diagram (5 Of 10)
G08933034Courtesy of © TOYOTA, LICENSE AGREEMENT TMS1002
Fig 6: Wireless Door Lock Control - Wiring Diagram (6 Of 10)
G08933035Courtesy of © TOYOTA, LICENSE AGREEMENT TMS1002
Fig 7: Wireless Door Lock Control - Wiring Diagram (7 Of 10)
G08933036Courtesy of © TOYOTA, LICENSE AGREEMENT TMS1002
Fig 8: Wireless Door Lock Control - Wiring Diagram (8 Of 10)
G08933037Courtesy of © TOYOTA, LICENSE AGREEMENT TMS1002
Fig 9: Wireless Door Lock Control - Wiring Diagram (9 Of 10)
G08933038Courtesy of © TOYOTA, LICENSE AGREEMENT TMS1002
Fig 10: Wireless Door Lock Control - Wiring Diagram (10 Of 10)
G08933039Courtesy of © TOYOTA, LICENSE AGREEMENT TMS1002