LEMON Manuals
: Even more car manuals for everyone: 1960-2025
Home
>>
Lexus
>>
2007
>>
RX 400h FWD
>>
Repair and Diagnosis
>>
Engine Performance
>>
Engine Control System
>>
SFI System
>>
System Diagram
April 5, 2026:
LEMON Manuals is launched!
Read the announcement.
System Diagram
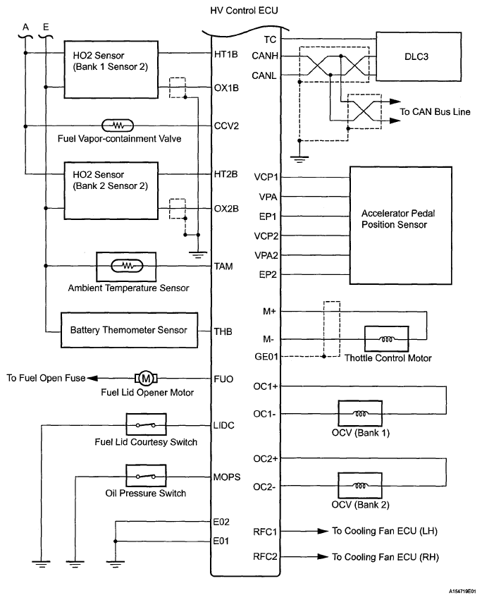
Fig 1: SFI System Diagram (1 Of 4)
Courtesy of © TOYOTA, LICENSE AGREEMENT TMS1002
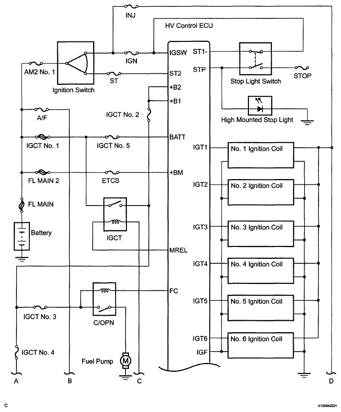
Fig 2: SFI System Diagram (2 Of 4)
Courtesy of © TOYOTA, LICENSE AGREEMENT TMS1002
Fig 3: SFI System Diagram (3 Of 4)
Courtesy of © TOYOTA, LICENSE AGREEMENT TMS1002
Fig 4: SFI System Diagram (4 Of 4)
Courtesy of © TOYOTA, LICENSE AGREEMENT TMS1002