LEMON Manuals: Even more car manuals for everyone: 1960-2025
Home >> Lexus >> 2007 >> SC 430 >> Repair and Diagnosis (Single Page) >> Electrical >> Body Electrical >> OEM System Circuits >> Engine Immobilizer System >> Notes
April 5, 2026: LEMON Manuals is launched! Read the announcement.

Engine Immobilizer System: Notes

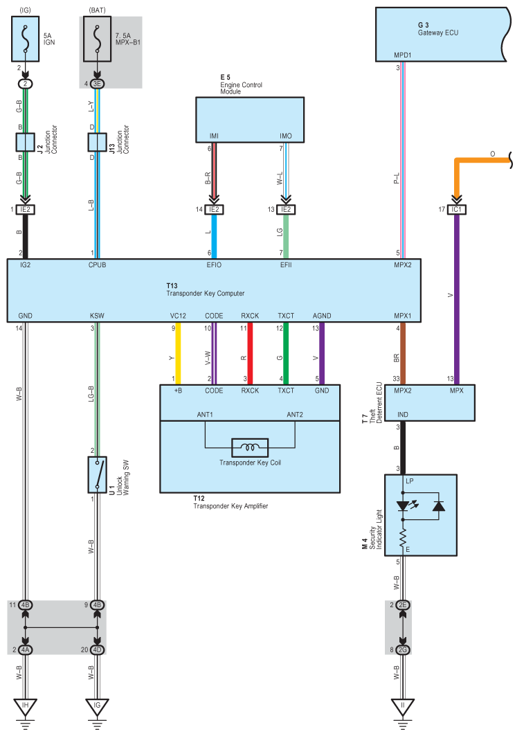
Fig 1: Engine Immobilizer System - Wiring Diagram (1 Of 2)
G08933770Courtesy of © TOYOTA, LICENSE AGREEMENT TMS1002
Fig 2: Engine Immobilizer System - Wiring Diagram (2 Of 2)
G08933771Courtesy of © TOYOTA, LICENSE AGREEMENT TMS1002