LEMON Manuals: Even more car manuals for everyone: 1960-2025
Home >> Lexus >> 2007 >> SC 430 >> Repair and Diagnosis (Single Page) >> Electrical >> Body Electrical >> OEM System Circuits >> Taillight >> Notes
April 5, 2026: LEMON Manuals is launched! Read the announcement.

OEM System Circuits: Taillight: Notes

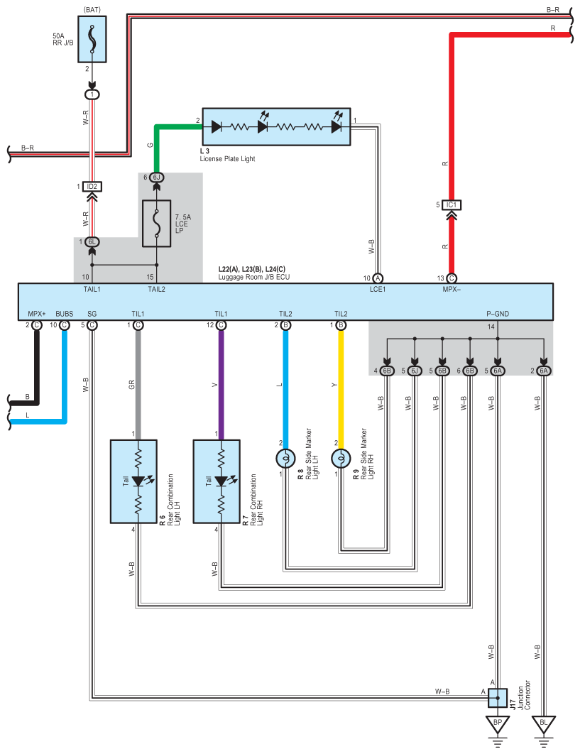
Fig 1: Taillight - Wiring Diagram (1 Of 3)
G08933807Courtesy of © TOYOTA, LICENSE AGREEMENT TMS1002
Fig 2: Taillight - Wiring Diagram (2 Of 3)
G08933808Courtesy of © TOYOTA, LICENSE AGREEMENT TMS1002
Fig 3: Taillight - Wiring Diagram (3 Of 3)
G08933809Courtesy of © TOYOTA, LICENSE AGREEMENT TMS1002