LEMON Manuals: Even more car manuals for everyone: 1960-2025
Home >> Lexus >> 2007 >> SC 430 >> Repair and Diagnosis >> Body & Frame >> Windows >> Windshield/WINDOWGLASS >> Power Window Control System >> Front Passenger Side Door ECU Power Source Circuit >> Wiring Diagram
April 5, 2026: LEMON Manuals is launched! Read the announcement.

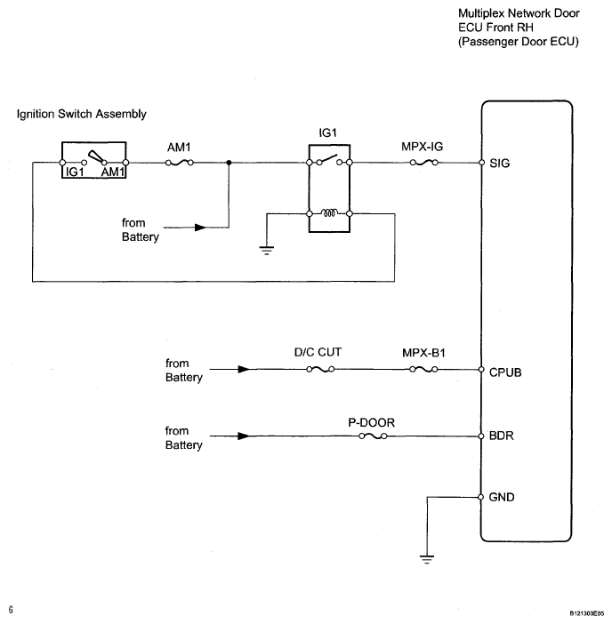
Front Passenger Side Door ECU Power Source Circuit: Wiring Diagram

Fig 1: Front Passenger Side Door ECU Power Source - Wiring Diagram
G05293450Courtesy of © TOYOTA, LICENSE AGREEMENT TMS1002