LEMON Manuals: Even more car manuals for everyone: 1960-2025
Home >> Lexus >> 2007 >> SC 430 >> Repair and Diagnosis >> Brakes >> Traction Control >> Brake Control >> Vehicle Stability Control System >> ABS Warning Light Circuit >> Wiring Diagram
April 5, 2026: LEMON Manuals is launched! Read the announcement.

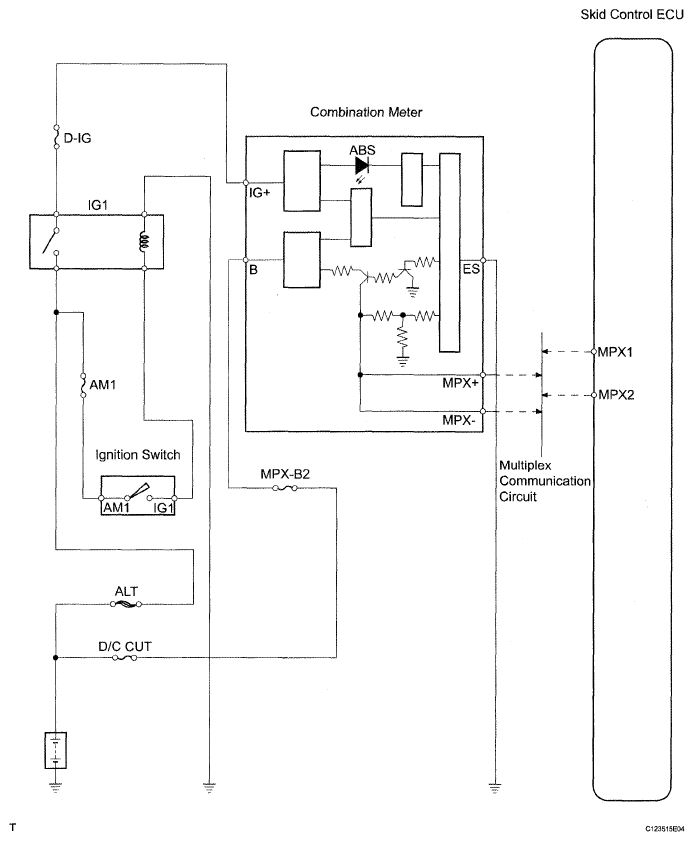
ABS Warning Light Circuit: Wiring Diagram

Fig 1: ABS Warning Light Circuit - Wiring Diagram
G05290686Courtesy of © TOYOTA, LICENSE AGREEMENT TMS1002

INSPECTION PROCEDURE 

  1. PERFORM ACTIVE TEST BY INTELLIGENT TESTER (ABS WARNING LIGHT) 
    1. Using the intelligent tester's ACTIVE TEST, generate a control command and then check that the ABS warning light operates.

      Skid control ECU 

      DIAGNOSTIC NOTE CHART

      Item Vehicle Condition 1 Test Details Diagnostic Note
      ABS WARN LIGHT Turns ABS warning light ON/OFF Observe combination meter

      OK: ABS warning light is turned on or off in accordance with intelligent tester. 

    OK: REPLACE SKID CONTROL ECU 

    NG: Go to Next Step 

  2. CHECK MULTIPLEX COMMUNICATION SYSTEM (SKID CONTROL ECU - COMBINATION METER) 
    1. Check for open and short circuits in the multiplex communication system between the skid control ECU and combination meter.

    NG: REPAIR OR REPLACE HARNESS AND CONNECTOR 

    OK: Go to Next Step 

  3. CHECK COMBINATION METER (ABS WARNING LIGHT) 
    1. Check the combination meter (see PROBLEM SYMPTOMS TABLE ).

    NG: REPAIR OR REPLACE COMBINATION METER 

    OK: REPLACE SKID CONTROL ECU