LEMON Manuals: Even more car manuals for everyone: 1960-2025
Home >> Lexus >> 2007 >> SC 430 >> Repair and Diagnosis >> Electrical >> Body Electrical >> OEM System Circuits >> ABS, TRAC, VSC and PPS >> Notes
April 5, 2026: LEMON Manuals is launched! Read the announcement.

ABS, TRAC, VSC and PPS: Notes

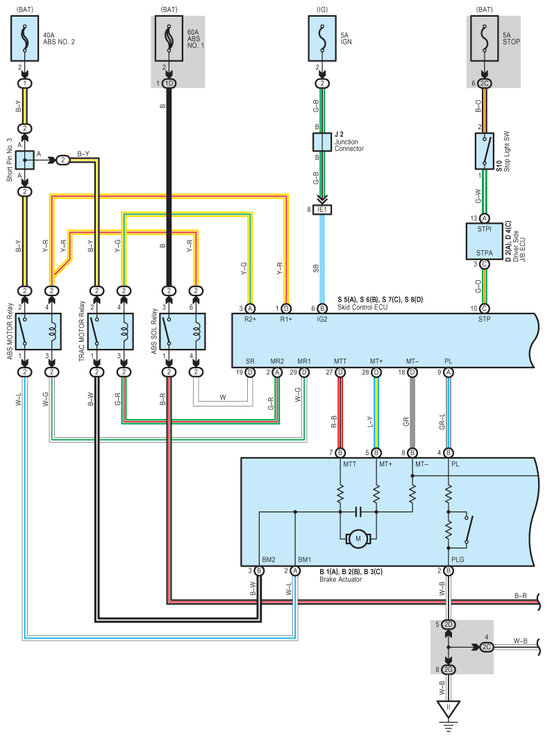
Fig 1: ABS, TRAC, VSC And PPS - Wiring Diagram (1 Of 5)
G08933877Courtesy of © TOYOTA, LICENSE AGREEMENT TMS1002
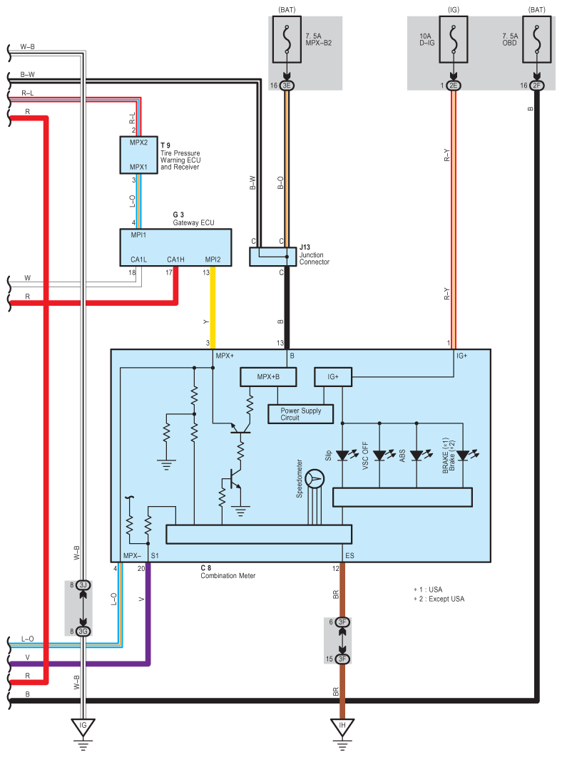
Fig 2: ABS, TRAC, VSC And PPS - Wiring Diagram (2 Of 5)
G08933878Courtesy of © TOYOTA, LICENSE AGREEMENT TMS1002
Fig 3: ABS, TRAC, VSC And PPS - Wiring Diagram (3 Of 5)
G08933879Courtesy of © TOYOTA, LICENSE AGREEMENT TMS1002
Fig 4: ABS, TRAC, VSC And PPS - Wiring Diagram (4 Of 5)
G08933880Courtesy of © TOYOTA, LICENSE AGREEMENT TMS1002
Fig 5: ABS, TRAC, VSC And PPS - Wiring Diagram (5 Of 5)
G08933881Courtesy of © TOYOTA, LICENSE AGREEMENT TMS1002