LEMON Manuals: Even more car manuals for everyone: 1960-2025
Home >> Lexus >> 2007 >> SC 430 >> Repair and Diagnosis >> Electrical >> Body Electrical >> OEM System Circuits >> Multiplx Communication System - Junction Block ECU >> Notes
April 5, 2026: LEMON Manuals is launched! Read the announcement.

Multiplx Communication System - Junction Block ECU: Notes

Fig 1: Multiplx Communication System - J/B Ecu - Wiring Diagram (1 Of 20)
G08933776Courtesy of © TOYOTA, LICENSE AGREEMENT TMS1002
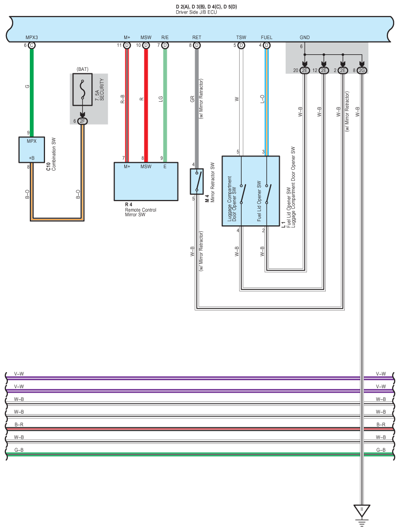
Fig 2: Multiplx Communication System - J/B Ecu - Wiring Diagram (2 Of 20)
G08933777Courtesy of © TOYOTA, LICENSE AGREEMENT TMS1002
Fig 3: Multiplx Communication System - J/B Ecu - Wiring Diagram (3 Of 20)
G08933778Courtesy of © TOYOTA, LICENSE AGREEMENT TMS1002
Fig 4: Multiplx Communication System - J/B Ecu - Wiring Diagram (4 Of 20)
G08933779Courtesy of © TOYOTA, LICENSE AGREEMENT TMS1002
Fig 5: Multiplx Communication System - J/B Ecu - Wiring Diagram (5 Of 20)
G08933780Courtesy of © TOYOTA, LICENSE AGREEMENT TMS1002
Fig 6: Multiplx Communication System - J/B Ecu - Wiring Diagram (6 Of 20)
G08933781Courtesy of © TOYOTA, LICENSE AGREEMENT TMS1002
Fig 7: Multiplx Communication System - J/B Ecu - Wiring Diagram (7 Of 20)
G08933782Courtesy of © TOYOTA, LICENSE AGREEMENT TMS1002
Fig 8: Multiplx Communication System - J/B Ecu - Wiring Diagram (8 Of 20)
G08933783Courtesy of © TOYOTA, LICENSE AGREEMENT TMS1002
Fig 9: Multiplx Communication System - J/B Ecu - Wiring Diagram (9 Of 20)
G08933784Courtesy of © TOYOTA, LICENSE AGREEMENT TMS1002
Fig 10: Multiplx Communication System - J/B Ecu - Wiring Diagram (10 Of 20)
G08933785Courtesy of © TOYOTA, LICENSE AGREEMENT TMS1002
Fig 11: Multiplx Communication System - J/B Ecu - Wiring Diagram (11 Of 20)
G08933786Courtesy of © TOYOTA, LICENSE AGREEMENT TMS1002
Fig 12: Multiplx Communication System - J/B Ecu - Wiring Diagram (12 Of 20)
G08933787Courtesy of © TOYOTA, LICENSE AGREEMENT TMS1002
Fig 13: Multiplx Communication System - J/B Ecu - Wiring Diagram (13 Of 20)
G08933788Courtesy of © TOYOTA, LICENSE AGREEMENT TMS1002
Fig 14: Multiplx Communication System - J/B Ecu - Wiring Diagram (14 Of 20)
G08933789Courtesy of © TOYOTA, LICENSE AGREEMENT TMS1002
Fig 15: Multiplx Communication System - J/B Ecu - Wiring Diagram (15 Of 20)
G08933790Courtesy of © TOYOTA, LICENSE AGREEMENT TMS1002
Fig 16: Multiplx Communication System - J/B Ecu - Wiring Diagram (16 Of 20)
G08933791Courtesy of © TOYOTA, LICENSE AGREEMENT TMS1002
Fig 17: Multiplx Communication System - J/B Ecu - Wiring Diagram (17 Of 20)
G08933792Courtesy of © TOYOTA, LICENSE AGREEMENT TMS1002
Fig 18: Multiplx Communication System - J/B Ecu - Wiring Diagram (18 Of 20)
G08933793Courtesy of © TOYOTA, LICENSE AGREEMENT TMS1002
Fig 19: Multiplx Communication System - J/B Ecu - Wiring Diagram (19 Of 20)
G08933794Courtesy of © TOYOTA, LICENSE AGREEMENT TMS1002
Fig 20: Multiplx Communication System - J/B Ecu - Wiring Diagram (20 Of 20)
G08933795Courtesy of © TOYOTA, LICENSE AGREEMENT TMS1002