LEMON Manuals: Even more car manuals for everyone: 1960-2025
Home >> Lexus >> 2007 >> SC 430 >> Repair and Diagnosis >> Electrical >> Body Electrical >> OEM System Circuits >> Retractable Hardtop >> Notes
April 5, 2026: LEMON Manuals is launched! Read the announcement.

Retractable Hardtop: Notes

Fig 1: Retractable Hardtop - Wiring Diagram (1 Of 7)
G08933843Courtesy of © TOYOTA, LICENSE AGREEMENT TMS1002
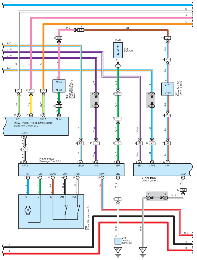
Fig 2: Retractable Hardtop - Wiring Diagram (2 Of 7)
G08933844Courtesy of © TOYOTA, LICENSE AGREEMENT TMS1002
Fig 3: Retractable Hardtop - Wiring Diagram (3 Of 7)
G08933845Courtesy of © TOYOTA, LICENSE AGREEMENT TMS1002
Fig 4: Retractable Hardtop - Wiring Diagram (4 Of 7)
G08933846Courtesy of © TOYOTA, LICENSE AGREEMENT TMS1002
Fig 5: Retractable Hardtop - Wiring Diagram (5 Of 7)
G08933847Courtesy of © TOYOTA, LICENSE AGREEMENT TMS1002
Fig 6: Retractable Hardtop - Wiring Diagram (6 Of 7)
G08933848Courtesy of © TOYOTA, LICENSE AGREEMENT TMS1002
Fig 7: Retractable Hardtop - Wiring Diagram (7 Of 7)
G08933849Courtesy of © TOYOTA, LICENSE AGREEMENT TMS1002