LEMON Manuals: Even more car manuals for everyone: 1960-2025
Home >> Lexus >> 2007 >> SC 430 >> Repair and Diagnosis >> Engine Mechanical >> Auxiliary Emission Control Systems >> Emission Control >> Emission Control System >> System Diagram
April 5, 2026: LEMON Manuals is launched! Read the announcement.

System Diagram

  1. EMISSION CONTROL SYSTEM DIAGRAM 
    Fig 1: Emission Control System Diagram
    G05289209Courtesy of © TOYOTA, LICENSE AGREEMENT TMS1002
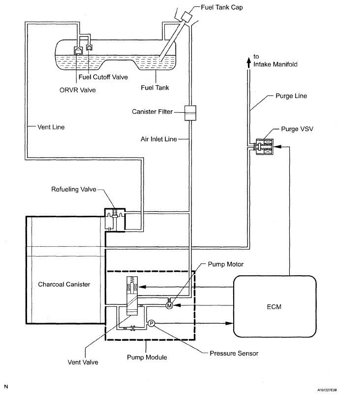
  2. EVAP SYSTEM DIAGRAM 
    Fig 2: EVAP System Diagram
    G05289210Courtesy of © TOYOTA, LICENSE AGREEMENT TMS1002
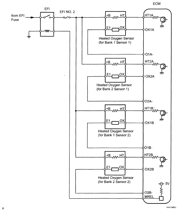
  3. EMISSION CONTROL WIRING DIAGRAM (Heated Oxygen Sensor Circuit) 
    Fig 3: Emission Control Wiring Diagram (Heated Oxygen Sensor)
    G05289211Courtesy of © TOYOTA, LICENSE AGREEMENT TMS1002
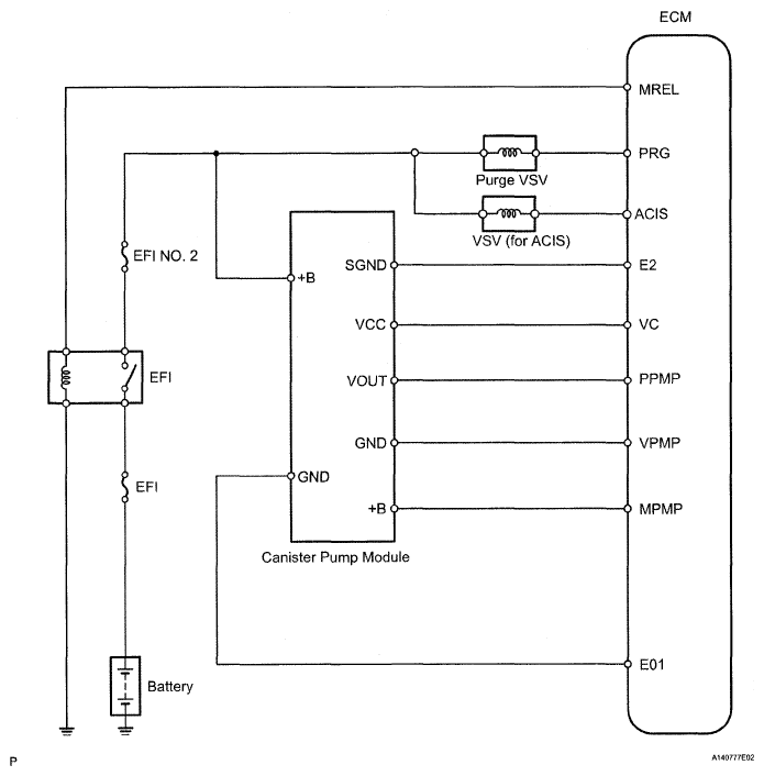
  4. EVAP SYSTEM WIRING DIAGRAM 
    Fig 4: EVAP System Wiring Diagram
    G05289212Courtesy of © TOYOTA, LICENSE AGREEMENT TMS1002