LEMON Manuals: Even more car manuals for everyone: 1960-2025
Home >> Lexus >> 2007 >> SC 430 >> Repair and Diagnosis >> Engine Performance >> Engine Control System >> SFI System >> DTC P0617 Starter Relay Circuit High >> Wiring Diagram
April 5, 2026: LEMON Manuals is launched! Read the announcement.

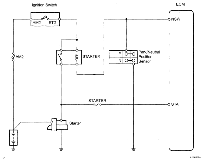
DTC P0617 Starter Relay Circuit High: Wiring Diagram

Fig 1: Starter Relay Circuit High - Wiring Diagram
G05291470Courtesy of © TOYOTA, LICENSE AGREEMENT TMS1002