LEMON Manuals: Even more car manuals for everyone: 1960-2025
Home >> Lexus >> 2009 >> LX 570 >> Repair and Diagnosis >> External Pages >> Different car >> Section 109 (OEM Junction Block, Ecu & Fuse/Relay Locations) >> Junction Block Fuse, Relay & Circuit Identification >> Cowl Side Junction Block RH Assembly
April 5, 2026: LEMON Manuals is launched! Read the announcement.

Cowl Side Junction Block RH Assembly

WARNING: This page is about a different car, the 2008 Lexus LX 570. However, it is still accessible from the selected car via links, so may be relevant.

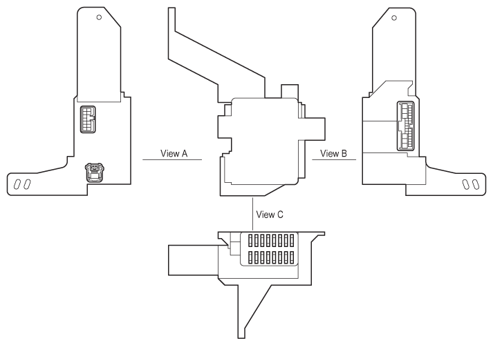
Cowl Side Right  (See Figure)

Fig 1: Cowl Side J/B RH Assembly Connector Locations
G07596716Courtesy of © TOYOTA, LICENSE AGREEMENT TMS1002
Fig 2: Cowl Side J/B RH Assembly Connector Locations (View A)
G07596717Courtesy of © TOYOTA, LICENSE AGREEMENT TMS1002
Fig 3: Cowl Side J/B RH Assembly Connector Locations (View B)
G07596718Courtesy of © TOYOTA, LICENSE AGREEMENT TMS1002
Fig 4: Cowl Side J/B RH Assembly Fuse Identification (View C)
G07596719Courtesy of © TOYOTA, LICENSE AGREEMENT TMS1002
Cowl Side J/B RH Fuse Identification Legend

Fuse System
5A AFS Adaptive Front-Lighting System
5A ECU-IG No. 3 Adaptive Front-Lighting System
Dynamic Radar Cruise Control
5A ECU-IG No. 4 Active Height Control Suspension and Adaptive Variable Suspension
Power Back Door
Rear Power Seat Control System (for Rear No. 2 Seat with Folding-Up Function)
Rear Wiper and Washer
Tire Pressure Warning System
VGRS System
10A AHC-B No. 2 Active Height Control Suspension and Adaptive Variable Suspension
10A SEAT-A/C FAN Climate Control Seat (Driver's Seat and Front Passenger's Seat)
10A TV Audio System, Multi-Display, LEXUS Navigation System and Parking Assist (Rear View Monitor)
20A AHC-B Active Height Control Suspension and Adaptive Variable Suspension
20A SEAT-HTR Seat Heater (Front)
30A B/DR CLSR LH Power Back Door
30A B/DR CLSR RH Power Back Door
30A RSF LH Rear Power Seat Control System (for Rear No. 2 Seat with Folding-Up Function)
30A RSF RH Rear Power Seat Control System (for Rear No. 2 Seat with Folding-Up Function)