LEMON Manuals: Even more car manuals for everyone: 1960-2025
Home >> Mazda >> 1983 >> B2000 Base >> Repair and Diagnosis (Single Page) >> Engine Performance >> System >> Fuel Injection System - Diesel >> Testing >> Glow Plug System >> System Check
April 5, 2026: LEMON Manuals is launched! Read the announcement.

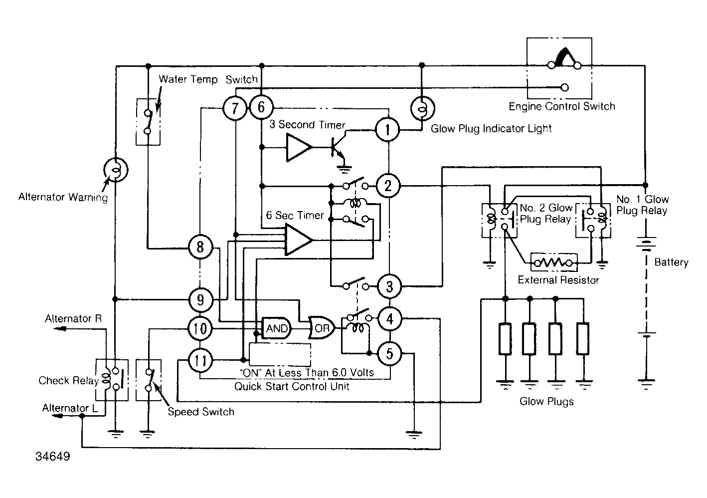
System Check

  1. Connect a voltmeter between glow plug positive terminal and ground. Set the parking brake and shift the transmission out of gear. Turn the ignition switch to "ON" position and check the following:
  2. Voltmeter should indicate battery voltage as soon as the ignition switch is turned on and the glow plug indicator lamp should be lit. The glow plug indicator lamp should turn off 3 seconds after the ignition switch is turned on
  3. The voltmeter should read 4.3-5.2 volts about 6 seconds after the ignition switch is turned on. Turn ignition off. Unplug fuel cut valve on injection pump. Turn ignition on.
  4. When glow plug indicator light goes out, turn ignition switch to "START". Voltmeter should indicate battery voltage for 1-2 seconds, and then 4.2-5.4 volts for 7-8 seconds. Turn ignition switch to "ON".
  5. Unplug coolant temperature switch connector. Voltmeter should read 0 volts. Connect coolant temperature switch. Unplug speed switch coupler and ground the connector. Voltmeter should read 0 volts.
Fig 1: Quick Start System Schematic Diagram (B2200)
G34649