LEMON Manuals: Even more car manuals for everyone: 1960-2025
Home >> Mazda >> 2018 >> 6 Touring >> Repair and Diagnosis (Single Page) >> Restraints >> Air Bag, SRS >> On-Board Diagnostic - Two-Step Deployment Control System >> On-Board Diagnostic Wiring Diagram (SAS Control Module (Two-Step Deployment Control System - Us/CANADA Spec.))
April 5, 2026: LEMON Manuals is launched! Read the announcement.

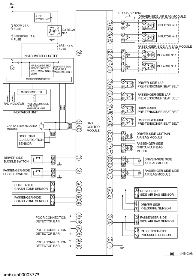
On-Board Diagnostic Wiring Diagram (SAS Control Module (Two-Step Deployment Control System - Us/CANADA Spec.))

Fig 1: SAS Control Module (Two-Step Deployment Control System) Wiring Diagram
G12233736Courtesy of MAZDA MOTORS CORP.
Fig 2: SAS Control Module (Two-Step Deployment Control System) Connector Terminals
G11438750Courtesy of MAZDA MOTORS CORP.