LEMON Manuals: Even more car manuals for everyone: 1960-2025
Home >> Mazda >> 2021 >> 6 Signature >> Repair and Diagnosis >> Accessories & Equipment >> Headlights >> On-Board Diagnostic - Adaptive Front Lighting System Control Module >> On-Board Diagnostic Wiring Diagram [Adaptive Front Lighting System (AFS) Control Module]
April 5, 2026: LEMON Manuals is launched! Read the announcement.

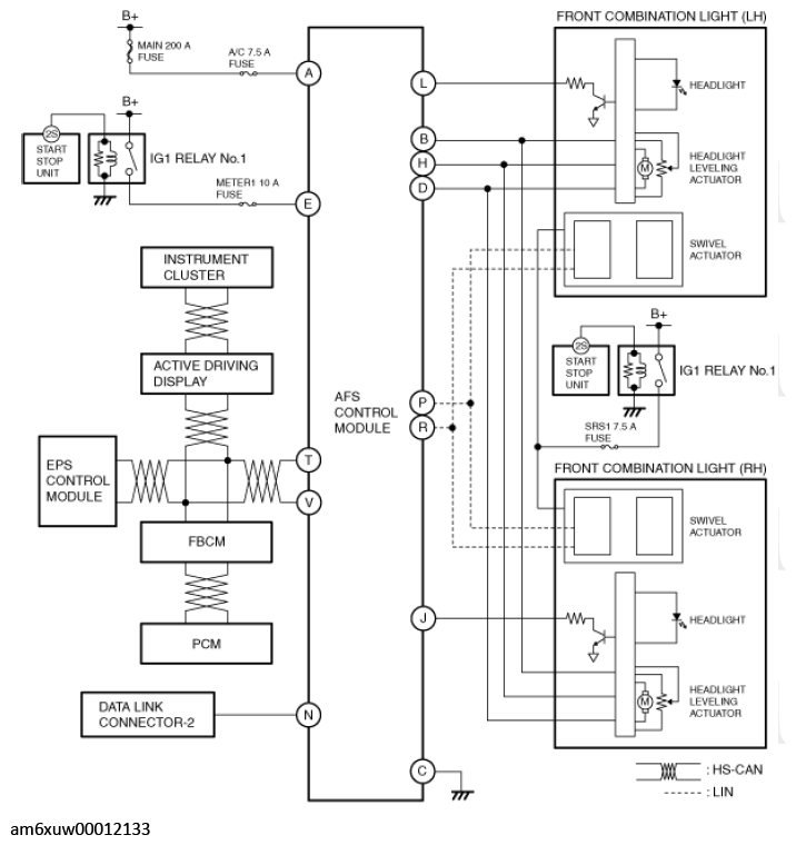
On-Board Diagnostic Wiring Diagram [Adaptive Front Lighting System (AFS) Control Module]

G12236681Courtesy of MAZDA MOTORS CORP.