LEMON Manuals: Even more car manuals for everyone: 1960-2025
Home >> Mazda >> 2021 >> CX-3 AWD >> Repair and Diagnosis (Single Page) >> Engine Performance >> Engine Control Systems >> Control System Diagram
April 5, 2026: LEMON Manuals is launched! Read the announcement.

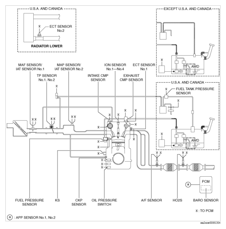
Control System Diagram

G13149699Courtesy of MAZDA MOTORS CORP.