LEMON Manuals: Even more car manuals for everyone: 1960-2025
Home >> Mitsubishi >> 2020 >> Outlander SP, AWD >> Repair and Diagnosis (Single Page) >> Transmission >> Automatic Trans >> Automatic Transaxle On Vehicle Service (With Diagnostics) >> On-Vehicle Service >> Automatic Transaxle Control Component Check >> A/T Control Relay Check
April 5, 2026: LEMON Manuals is launched! Read the announcement.

A/T Control Relay Check

  1. Remove the A/T control relay.
    G10223384Courtesy of MITSUBISHI MOTOR SALES OF AMERICA.
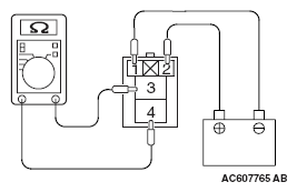
  2. Use jumper wires to connect A/T control relay terminal No. 1 to the negative battery terminal and terminal No. 2 to the positive battery terminal.
  3. Check for continuity between A/T control relay terminals No. 3 and No. 4 when the jumper wires are connected to and disconnected from the battery.
    Jumper wire Continuity between terminals No. 3 and No. 4
    Connected Continuity exists (2Ω or less)
    Disconnected No continuity
    G05431705Courtesy of MITSUBISHI MOTOR SALES OF AMERICA.
  4. If there is any problem with the A/T control relay, replace it.