LEMON Manuals: Even more car manuals for everyone: 1960-2025
Home >> Nissan-Datsun >> 1983 >> Sentra Base, 2D Hatchback, Standard >> Repair and Diagnosis >> Engine Performance >> System >> Carburetor - Electronically Controlled >> Testing >> Fuel Shut-Off System
April 5, 2026: LEMON Manuals is launched! Read the announcement.

Fuel Shut-Off System

  1. Turn ignition switch "OFF". Disconnect ECC 20-pin connector. Check that there is continuity between terminal 5 and ground with clutch engaged. If not, replace clutch switch.
  2. Check that there is continuity between terminal 4 and ground with transmission in Neutral. If not, replace neutral switch.
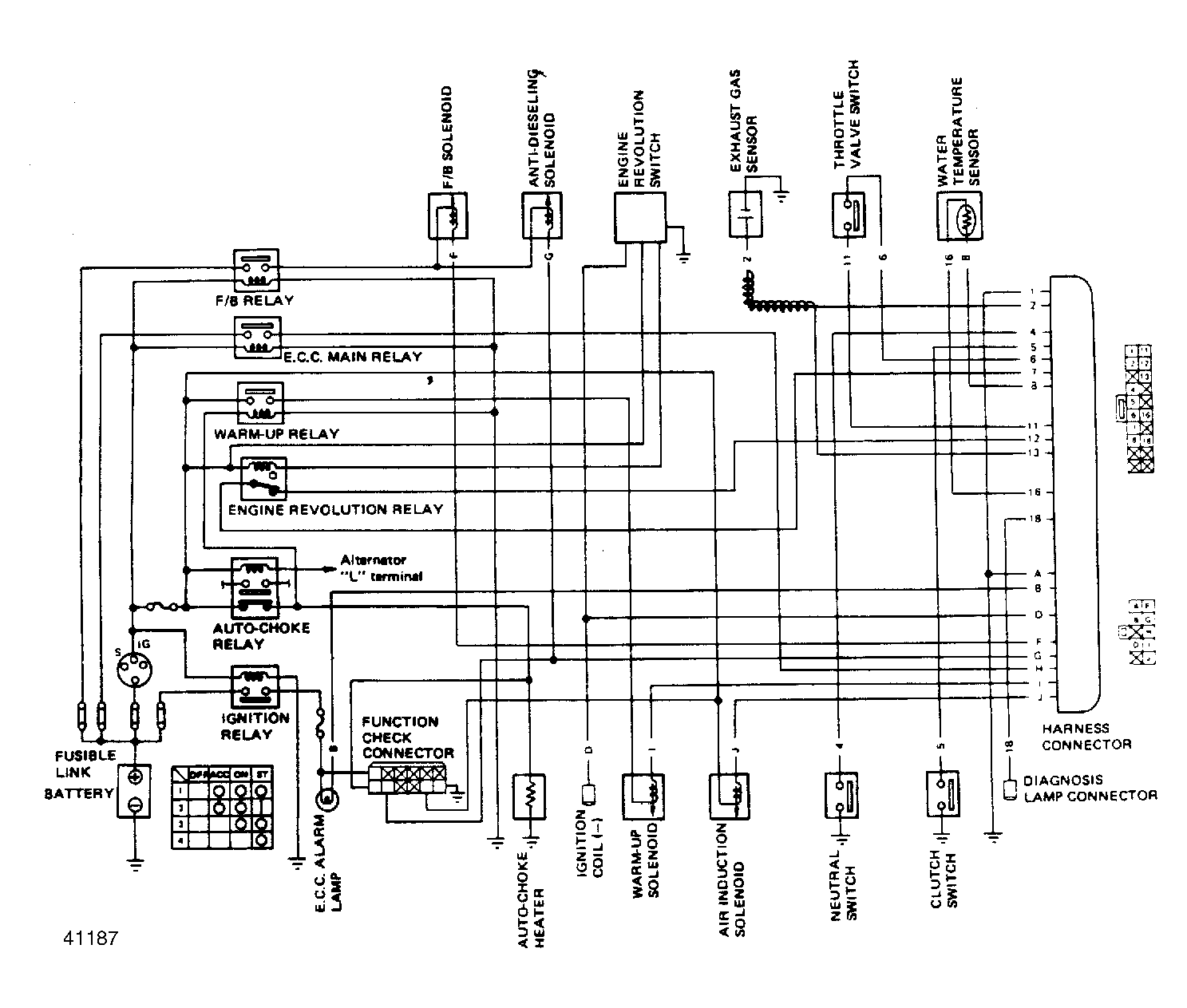
Fig 1: Sentra M.P.G. Electronically Controlled Carb. (ECC) Schematic
G41187