LEMON Manuals: Even more car manuals for everyone: 1960-2025
Home >> Nissan-Datsun >> 2010 >> 370Z Base, 2D Convertible, Standard >> Repair and Diagnosis >> Engine Performance >> System >> Engine Control System - System Diagnostics And Periodic Maintenance >> Ecu Diagnosis Information >> VVEL Control Module >> Wiring Diagram - ENGINE CONTROL SYSTEM -
April 5, 2026: LEMON Manuals is launched! Read the announcement.

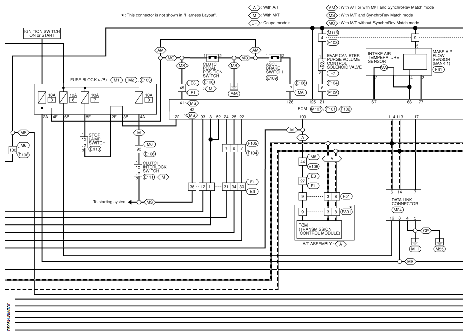
Wiring Diagram - ENGINE CONTROL SYSTEM -

Fig 1: Engine Control System - Wiring Diagram (1 Of 6)
G06576545Courtesy of NISSAN MOTOR CO., U.S.A.
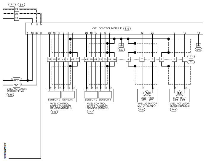
Fig 2: Engine Control System - Wiring Diagram (2 Of 6)
G06576546Courtesy of NISSAN MOTOR CO., U.S.A.
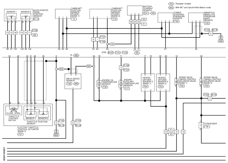
Fig 3: Engine Control System - Wiring Diagram (3 Of 6)
G06576547Courtesy of NISSAN MOTOR CO., U.S.A.
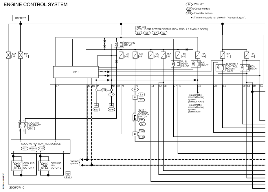
Fig 4: Engine Control System - Wiring Diagram (4 Of 6)
G06576548Courtesy of NISSAN MOTOR CO., U.S.A.
Fig 5: Engine Control System - Wiring Diagram (5 Of 6)
G06576549Courtesy of NISSAN MOTOR CO., U.S.A.
Fig 6: Engine Control System - Wiring Diagram (6 Of 6)
G06576550Courtesy of NISSAN MOTOR CO., U.S.A.
Fig 7: Engine Control System Connector Terminal Chart (1 Of 14)
G06576551Courtesy of NISSAN MOTOR CO., U.S.A.
Fig 8: Engine Control System Connector Terminal Chart (2 Of 14)
G06576552Courtesy of NISSAN MOTOR CO., U.S.A.
Fig 9: Engine Control System Connector Terminal Chart (3 Of 14)
G06576553Courtesy of NISSAN MOTOR CO., U.S.A.
Fig 10: Engine Control System Connector Terminal Chart (4 Of 14)
G06576554Courtesy of NISSAN MOTOR CO., U.S.A.
Fig 11: Engine Control System Connector Terminal Chart (5 Of 14)
G06576555Courtesy of NISSAN MOTOR CO., U.S.A.
Fig 12: Engine Control System Connector Terminal Chart (6 Of 14)
G06576556Courtesy of NISSAN MOTOR CO., U.S.A.
Fig 13: Engine Control System Connector Terminal Chart (7 Of 14)
G06576557Courtesy of NISSAN MOTOR CO., U.S.A.
Fig 14: Engine Control System Connector Terminal Chart (8 Of 14)
G06576558Courtesy of NISSAN MOTOR CO., U.S.A.
Fig 15: Engine Control System Connector Terminal Chart (9 Of 14)
G06576559Courtesy of NISSAN MOTOR CO., U.S.A.
Fig 16: Engine Control System Connector Terminal Chart (10 Of 14)
G06576560Courtesy of NISSAN MOTOR CO., U.S.A.
Fig 17: Engine Control System Connector Terminal Chart (11 Of 14)
G06576561Courtesy of NISSAN MOTOR CO., U.S.A.
Fig 18: Engine Control System Connector Terminal Chart (12 Of 14)
G06576562Courtesy of NISSAN MOTOR CO., U.S.A.
Fig 19: Engine Control System Connector Terminal Chart (13 Of 14)
G06576563Courtesy of NISSAN MOTOR CO., U.S.A.
Fig 20: Engine Control System Connector Terminal Chart (14 Of 14)
G06576564Courtesy of NISSAN MOTOR CO., U.S.A.