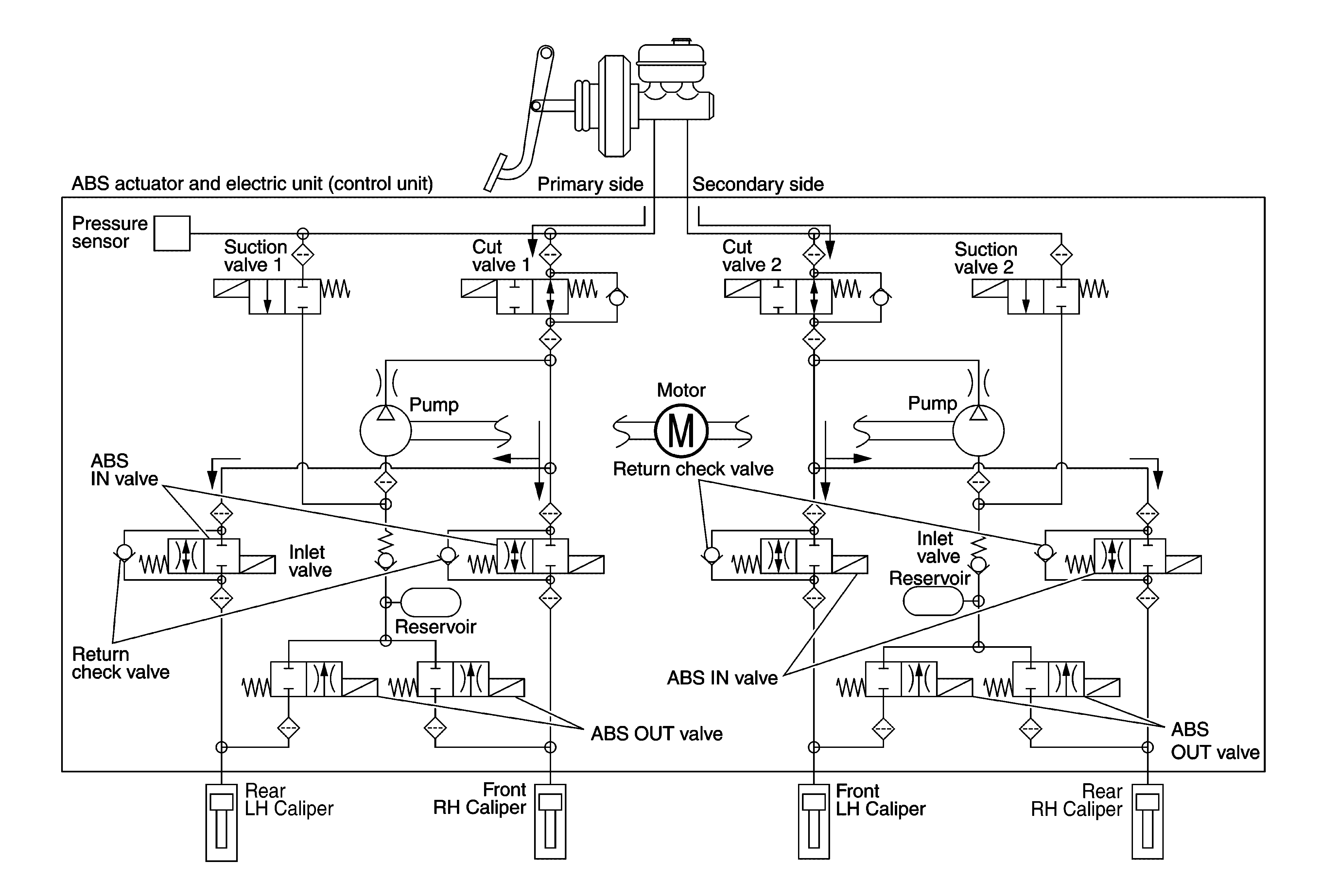
Valve Operation (Abs And EBD Functions)
The control unit built into the ABS actuator and electric unit (control unit) controls fluid pressure of the brake calipers by operating each valve.
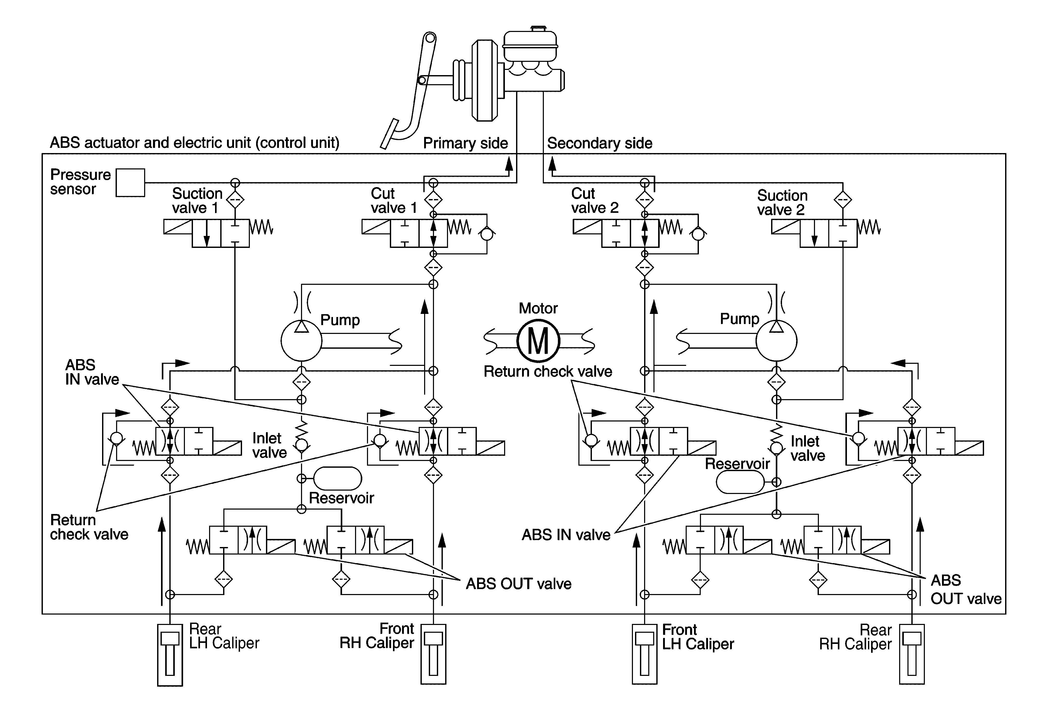
Brake Pedal Applied or ABS Function Operating (Pressure Increases)
|
Name |
Not activated |
Pressure increases |
|
Cut valve 1 |
Power supply is not supplied (open) |
Power supply is not supplied (open) |
|
Cut valve 2 |
Power supply is not supplied (open) |
Power supply is not supplied (open) |
|
Suction valve 1 |
Power supply is not supplied (close) |
Power supply is not supplied (close) |
|
Suction valve 2 |
Power supply is not supplied (close) |
Power supply is not supplied (close) |
|
ABS IN valve |
Power supply is not supplied (open) |
Power supply is not supplied (open) |
|
ABS OUT valve |
Power supply is not supplied (close) |
Power supply is not supplied (close) |
|
Each brake caliper (fluid pressure) |
-- |
Pressure increases |
Front RH brake caliper
- When the cut valve 1 and the ABS IN valve opens, brake fluid is supplied to the front RH brake caliper from the master cylinder through the ABS IN valve. Brake fluid does not flow into the reservoir because the ABS OUT valve is closed.
Front LH brake caliper
- When the cut valve 2 and the ABS IN valve opens, brake fluid is supplied to the front LH brake caliper from the master cylinder through the ABS IN valve. Brake fluid does not flow into the reservoir because the ABS OUT valve is closed.
Rear RH brake caliper
- When the cut valve 2 and the ABS IN valve opens, brake fluid is supplied to the rear RH brake caliper from the master cylinder through the ABS IN valve. Brake fluid does not flow into the reservoir because the ABS OUT valve is closed.
Rear LH brake caliper
- When the cut valve 1 and the ABS IN valve opens, brake fluid is supplied to the rear LH brake caliper from the master cylinder through the ABS IN valve. Brake fluid does not flow into the reservoir because the ABS OUT valve is closed.
ABS Function Starts Operating (Pressure Holds)
|
Name |
Not activated |
Pressure holds |
|
Cut valve 1 |
Power supply is not supplied (open) |
Power supply is not supplied (open) |
|
Cut valve 2 |
Power supply is not supplied (open) |
Power supply is not supplied (open) |
|
Suction valve 1 |
Power supply is not supplied (close) |
Power supply is not supplied (close) |
|
Suction valve 2 |
Power supply is not supplied (close) |
Power supply is not supplied (close) |
|
ABS IN valve |
Power supply is not supplied (open) |
Power supply is supplied (close) |
|
ABS OUT valve |
Power supply is not supplied (close) |
Power supply is not supplied (close) |
|
Each brake caliper (fluid pressure) |
-- |
Pressure holds |
Front RH brake caliper
- Since the ABS IN valve and the ABS OUT valve are closed, the front RH brake caliper, master cylinder, and reservoir are blocked. This maintains fluid pressure applied on the front RH brake caliper.
Front LH brake caliper
- Since the ABS IN valve and the ABS OUT valve are closed, the front LH brake caliper, master cylinder, and reservoir are blocked. This maintains fluid pressure applied on the front LH brake caliper.
Rear RH brake caliper
- Since the ABS IN valve and the ABS OUT valve are closed, the rear RH brake caliper, master cylinder, and reservoir are blocked. This maintains fluid pressure applied on the rear RH brake caliper.
Rear LH brake caliper
- Since the ABS IN valve and the ABS OUT valve are closed, the rear LH brake caliper, master cylinder, and reservoir are blocked. This maintains fluid pressure applied on the rear LH brake caliper.
ABS Function Operating (Pressure Decreases)
|
Name |
Not activated |
Pressure decreases |
|
Cut valve 1 |
Power supply is not supplied (open) |
Power supply is not supplied (open) |
|
Cut valve 2 |
Power supply is not supplied (open) |
Power supply is not supplied (open) |
|
Suction valve 1 |
Power supply is not supplied (close) |
Power supply is not supplied (close) |
|
Suction valve 2 |
Power supply is not supplied (close) |
Power supply is not supplied (close) |
|
ABS IN valve |
Power supply is not supplied (open) |
Power supply is supplied (close) |
|
ABS OUT valve |
Power supply is not supplied (close) |
Power supply is supplied (open) |
|
Each brake caliper (fluid pressure) |
-- |
Pressure decreases |
Front RH brake caliper
- Since the ABS IN valve is closed and the ABS OUT valve is opened, fluid pressure applied on the front RH brake caliper is supplied to the reservoir through the ABS OUT valve. This fluid pressure decreases when sent to the master cylinder by the pump.
Front LH brake caliper
- Since the ABS IN valve is closed and the ABS OUT valve is opened, fluid pressure applied on the front LH brake caliper is supplied to the reservoir through the ABS OUT valve. This fluid pressure decreases when sent to the master cylinder by the pump.
Rear RH brake caliper
- Since the ABS IN valve is closed and the ABS OUT valve is opened, fluid pressure applied on the rear RH brake caliper is supplied to the reservoir through the ABS OUT valve. This fluid pressure decreases when sent to the master cylinder by the pump.
Rear LH brake caliper
- Since the ABS IN valve is closed and the ABS OUT valve is opened, fluid pressure applied on the rear LH brake caliper is supplied to the reservoir through the ABS OUT valve. This fluid pressure decreases when sent to the master cylinder by the pump.
ABS Function Operating (Pressure Increases)
|
Name |
Not activated |
Pressure increases |
|
Cut valve 1 |
Power supply is not supplied (open) |
Power supply is not supplied (open) |
|
Cut valve 2 |
Power supply is not supplied (open) |
Power supply is not supplied (open) |
|
Suction valve 1 |
Power supply is not supplied (close) |
Power supply is not supplied (close) |
|
Suction valve 2 |
Power supply is not supplied (close) |
Power supply is not supplied (close) |
|
ABS IN valve |
Power supply is not supplied (open) |
Power supply is not supplied (open) |
|
ABS OUT valve |
Power supply is not supplied (close) |
Power supply is not supplied (close) |
|
Each brake caliper (fluid pressure) |
-- |
Pressure increases |
Front RH brake caliper
- Brake fluid is supplied to the front RH brake caliper from the master cylinder through the cut valve 1 and the ABS IN valve. Since the suction valve 1 and the ABS OUT valve are closed, the fluid does not flow into the reservoir. The amount of brake fluid supplied to the front RH brake caliper from the master cylinder is controlled according to time that the ABS IN valve is not energized (time that the ABS IN valve is open).
Front LH brake caliper
- Brake fluid is supplied to the front LH brake caliper from the master cylinder through the cut valve 2 and the ABS IN valve. Since the suction valve 2 and the ABS OUT valve are closed, the fluid does not flow into the reservoir. The amount of brake fluid supplied to the front LH brake caliper from the master cylinder is controlled according to time that the ABS IN valve is not energized (time that the ABS IN valve is open).
Rear RH brake caliper
- Brake fluid is supplied to the rear RH brake caliper from the master cylinder through the cut valve 2 and the ABS IN valve. Since the suction valve 2 and the ABS OUT valve are closed, the fluid does not flow into the reservoir. The amount of brake fluid supplied to the rear RH brake caliper from the master cylinder is controlled according to time that the ABS IN valve is not energized (time that the ABS IN valve is open).
Rear LH brake caliper
- Brake fluid is supplied to the rear LH brake caliper from the master cylinder through the cut valve 1 and the ABS IN valve. Since the suction valve 1 and the ABS OUT valve are closed, the fluid does not flow into the reservoir. The amount of brake fluid supplied to the rear LH brake caliper from the master cylinder is controlled according to time that the ABS IN valve is not energized (time that the ABS IN valve is open).
Brake Release
|
Name |
Not activated |
During brake release |
|
Cut valve 1 |
Power supply is not supplied (open) |
Power supply is not supplied (open) |
|
Cut valve 2 |
Power supply is not supplied (open) |
Power supply is not supplied (open) |
|
Suction valve 1 |
Power supply is not supplied (close) |
Power supply is not supplied (close) |
|
Suction valve 2 |
Power supply is not supplied (close) |
Power supply is not supplied (close) |
|
ABS IN valve |
Power supply is not supplied (open) |
Power supply is not supplied (open) |
|
ABS OUT valve |
Power supply is not supplied (close) |
Power supply is not supplied (close) |
|
Each brake caliper (fluid pressure) |
-- |
Pressure decreases |
Front RH brake caliper
- Brake fluid is supplied to the front RH brake caliper through the return check valve of the ABS IN valve and the cut valve 1 and returns to the master cylinder.
Front LH brake caliper
- Brake fluid is supplied to the front LH brake caliper through the return check valve of the ABS IN valve and the cut valve 2 and returns to the master cylinder.
Rear RH brake caliper
- Brake fluid is supplied to the rear RH brake caliper through the return check valve of the ABS IN valve and the cut valve 2 and returns to the master cylinder.
Rear LH brake caliper
- Brake fluid is supplied to the rear LH brake caliper through the return check valve of the ABS IN valve and the cut valve 1 and returns to the master cylinder.
Component Parts and Function
|
Component |
Function |
|
Pump |
Returns the brake fluid reserved in reservoir to master cylinder by reducing pressure. |
|
Motor |
Activates the pump according to signals from ABS actuator and electric unit (control unit). |
|
Cut valve 1 Cut valve 2 |
Shuts off the ordinary brake line from master cylinder. |
|
Suction valve 1 Suction valve 2 |
Supplies the brake fluid from master cylinder to the pump. |
|
ABS IN valve |
Switches the fluid pressure line to increase or hold according to signals from control unit. |
|
ABS OUT valve |
Switches the fluid pressure line to increase, hold or decrease according to signals from control unit. |
|
Return check valve |
Returns the brake fluid from brake caliper to master cylinder by bypassing orifice of each valve when brake is released. |
|
Reservoir |
Temporarily reserves the brake fluid drained from brake caliper, so that pressure efficiently decreases when decreasing pressure of brake caliper. |
|
Pressure sensor |
Detects the brake fluid pressure and transmits signal to ABS actuator and electric unit (control unit). |