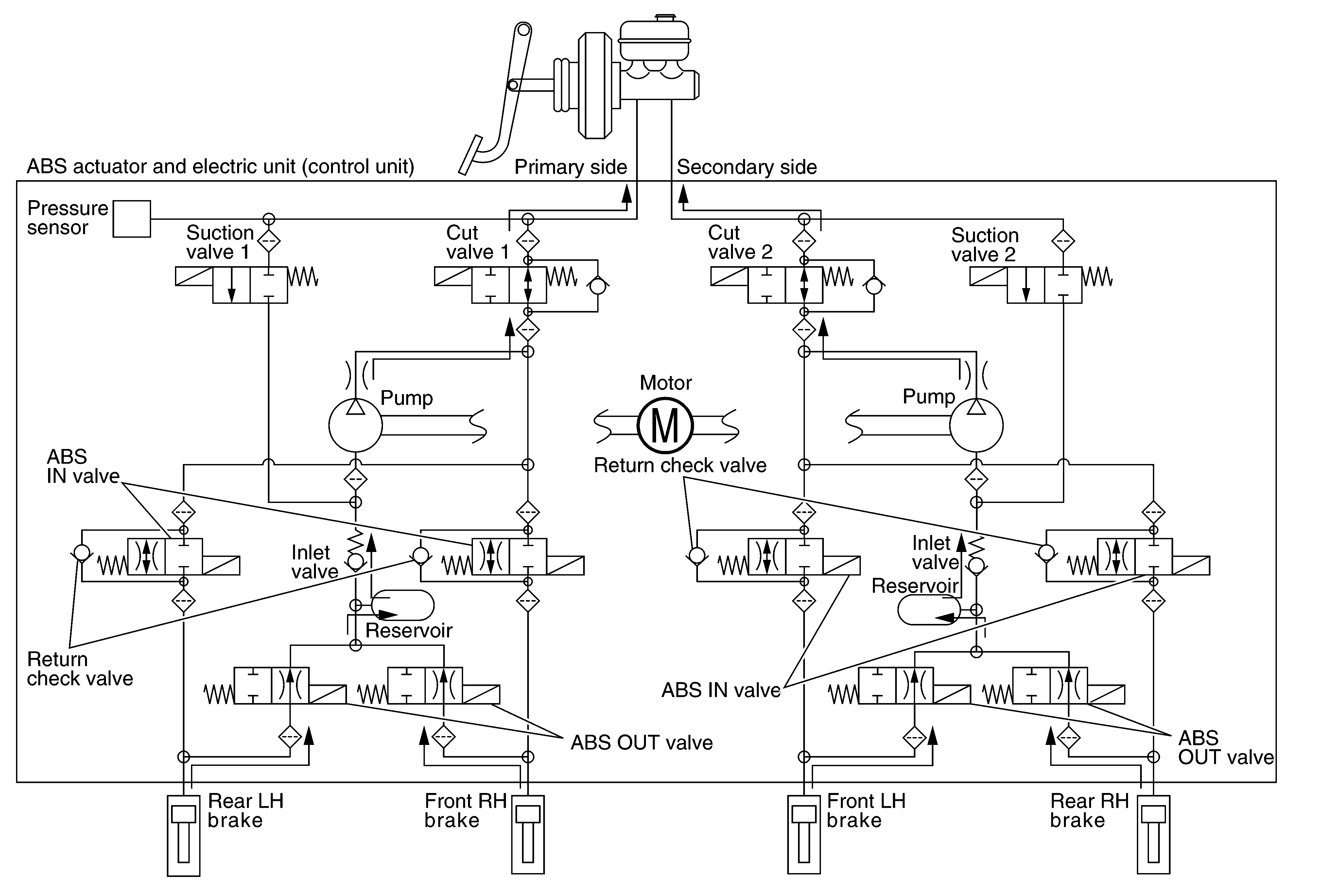
Valve Operation (Abs Function)
Each valve is operated and fluid pressure of brake is controlled.
When Brake Pedal is Applied
|
Component parts |
Not activated |
When pressure increases |
|
Cut valve 1 |
Power supply is not supplied (open) |
Power supply is not supplied (open) |
|
Cut valve 2 |
Power supply is not supplied (open) |
Power supply is not supplied (open) |
|
Suction valve 1 |
Power supply is not supplied (close) |
Power supply is not supplied (close) |
|
Suction valve 2 |
Power supply is not supplied (close) |
Power supply is not supplied (close) |
|
ABS IN valve |
Power supply is not supplied (open) |
Power supply is not supplied (open) |
|
ABS OUT valve |
Power supply is not supplied (close) |
Power supply is not supplied (close) |
|
Each brake (fluid pressure) |
-- |
Pressure increases |
During pressure front RH brake increases
- When the cut valve 1 and the ABS IN valve opens, brake fluid is supplied to the front RH brake from the master cylinder through the ABS IN valve. Brake fluid does not flow into the reservoir because the ABS OUT valve is closed.
During pressure front LH brake increases
- When the cut valve 2 and the ABS IN valve opens, brake fluid is supplied to the front LH brake from the master cylinder through the ABS IN valve. Brake fluid does not flow into the reservoir because the ABS OUT valve is closed.
During pressure rear RH brake increases
- When the cut valve 2 and the ABS IN valve opens, brake fluid is supplied to the rear RH brake from the master cylinder through the ABS IN valve. Brake fluid does not flow into the reservoir because the ABS OUT valve is closed.
During pressure rear LH brake increases
- When the cut valve 1 and the ABS IN valve opens, brake fluid is supplied to the rear LH brake from the master cylinder through the ABS IN valve. Brake fluid does not flow into the reservoir because the ABS OUT valve is closed.
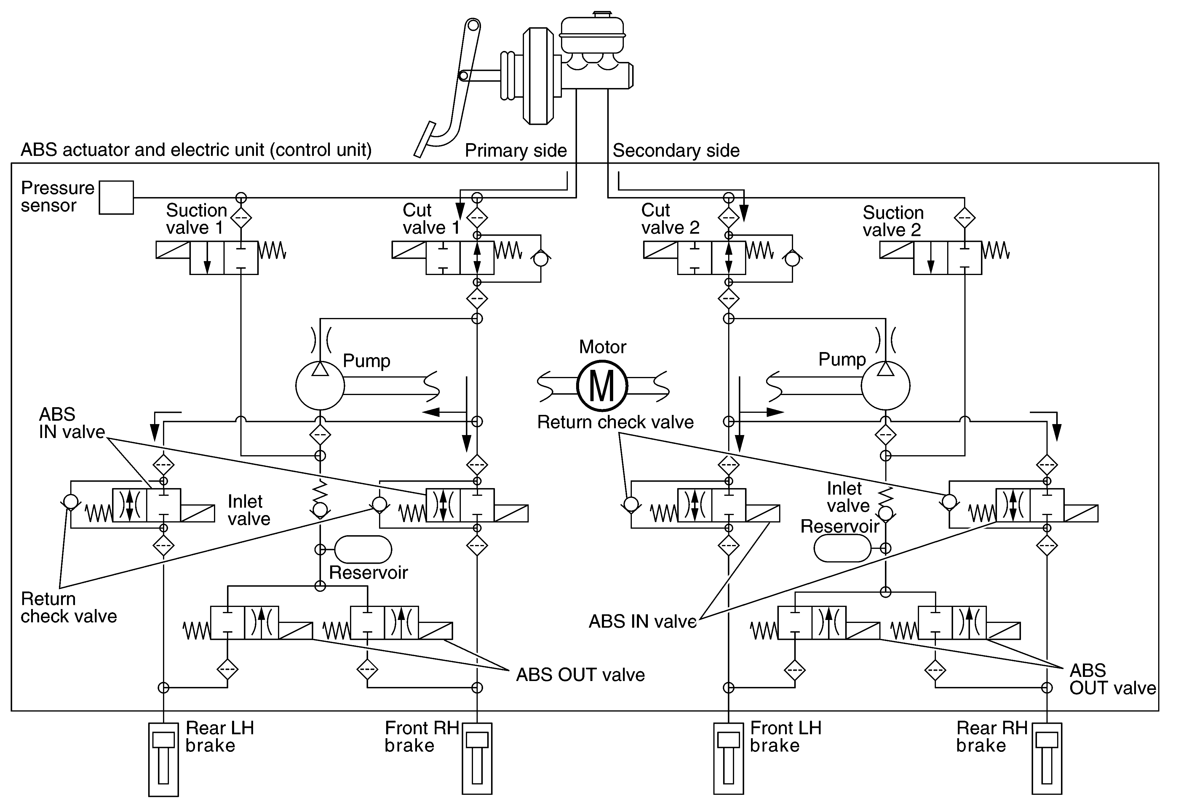
When ABS Function is in Operation (During Pressure Increases)
|
Component parts |
Not activated |
When pressure increases |
|
Cut valve 1 |
Power supply is not supplied (open) |
Power supply is not supplied (open) |
|
Cut valve 2 |
Power supply is not supplied (open) |
Power supply is not supplied (open) |
|
Suction valve 1 |
Power supply is not supplied (close) |
Power supply is not supplied (close) |
|
Suction valve 2 |
Power supply is not supplied (close) |
Power supply is not supplied (close) |
|
ABS IN valve |
Power supply is not supplied (open) |
Power supply is not supplied (open) |
|
ABS OUT valve |
Power supply is not supplied (close) |
Power supply is not supplied (close) |
|
Each brake (fluid pressure) |
-- |
Pressure increases |
During pressure front RH brake increases
- Brake fluid is supplied to the front RH brake from the master cylinder through the cut valve 1 and the ABS IN valve. Since the suction valve 1 and the ABS OUT valve is closed, the fluid does not flow into the reservoir. The amount of brake fluid supplied to the front RH brake from the master cylinder is controlled according to time that the ABS IN valve is not energized (time that the ABS IN valve is open).
During pressure front LH brake increases
- Brake fluid is supplied to the front LH brake from the master cylinder through the cut valve 2 and the ABS IN valve. Since the suction valve 2 and the ABS OUT valve is closed, the fluid does not flow into the reservoir. The amount of brake fluid supplied to the front LH brake from the master cylinder is controlled according to time that the ABS IN valve is not energized (time that the ABS IN valve is open).
During pressure rear RH brake increases
- Brake fluid is supplied to the rear RH brake from the master cylinder through the cut valve 2 and the ABS IN valve. Since the suction valve 2 and the ABS OUT valve is closed, the fluid does not flow into the reservoir. The amount of brake fluid supplied to the rear RH brake from the master cylinder is controlled according to time that the ABS IN valve is not energized (time that the ABS IN valve is open).
During pressure rear LH brake increases
- Brake fluid is supplied to the rear LH brake from the master cylinder through the cut valve 1 and the ABS IN valve. Since the suction valve 1 and the ABS OUT valve is closed, the fluid does not flow into the reservoir. The amount of brake fluid supplied to the rear LH brake from the master cylinder is controlled according to time that the ABS IN valve is not energized (time that the ABS IN valve is open).
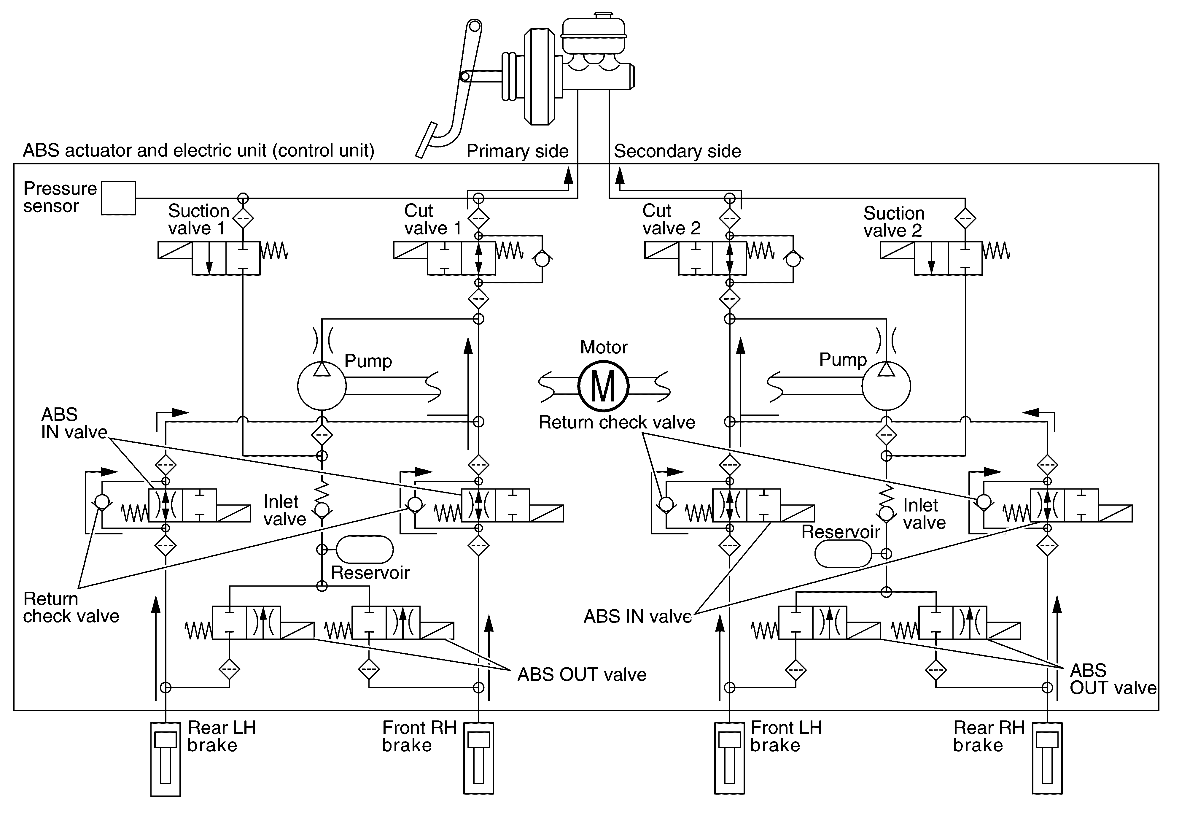
When ABS Function is Operating (During Pressure Holds)
|
Component parts |
Not activated |
When pressure holds |
|
Cut valve 1 |
Power supply is not supplied (open) |
Power supply is not supplied (open) |
|
Cut valve 2 |
Power supply is not supplied (open) |
Power supply is not supplied (open) |
|
Suction valve 1 |
Power supply is not supplied (close) |
Power supply is not supplied (close) |
|
Suction valve 2 |
Power supply is not supplied (close) |
Power supply is not supplied (close) |
|
ABS IN valve |
Power supply is not supplied (open) |
Power supply is supplied (close) |
|
ABS OUT valve |
Power supply is not supplied (close) |
Power supply is not supplied (close) |
|
Each brake (fluid pressure) |
-- |
Pressure holds |
During pressure front RH brake holds
- Since the ABS IN valve and the ABS OUT valve are closed, the front RH brake, master cylinder, and reservoir are blocked. This maintains fluid pressure applied on the front RH brake.
During pressure front LH brake holds
- Since the ABS IN valve and the ABS OUT valve are closed, the front LH brake, master cylinder, and reservoir are blocked. This maintains fluid pressure applied on the front LH brake.
During pressure rear RH brake holds
- Since the ABS IN valve and the ABS OUT valve are closed, the rear RH brake, master cylinder, and reservoir are blocked. This maintains fluid pressure applied on the rear RH brake.
During pressure rear LH brake holds
- Since the ABS IN valve and the ABS OUT valve are closed, the rear LH brake, master cylinder, and reservoir are blocked. This maintains fluid pressure applied on the rear LH brake.
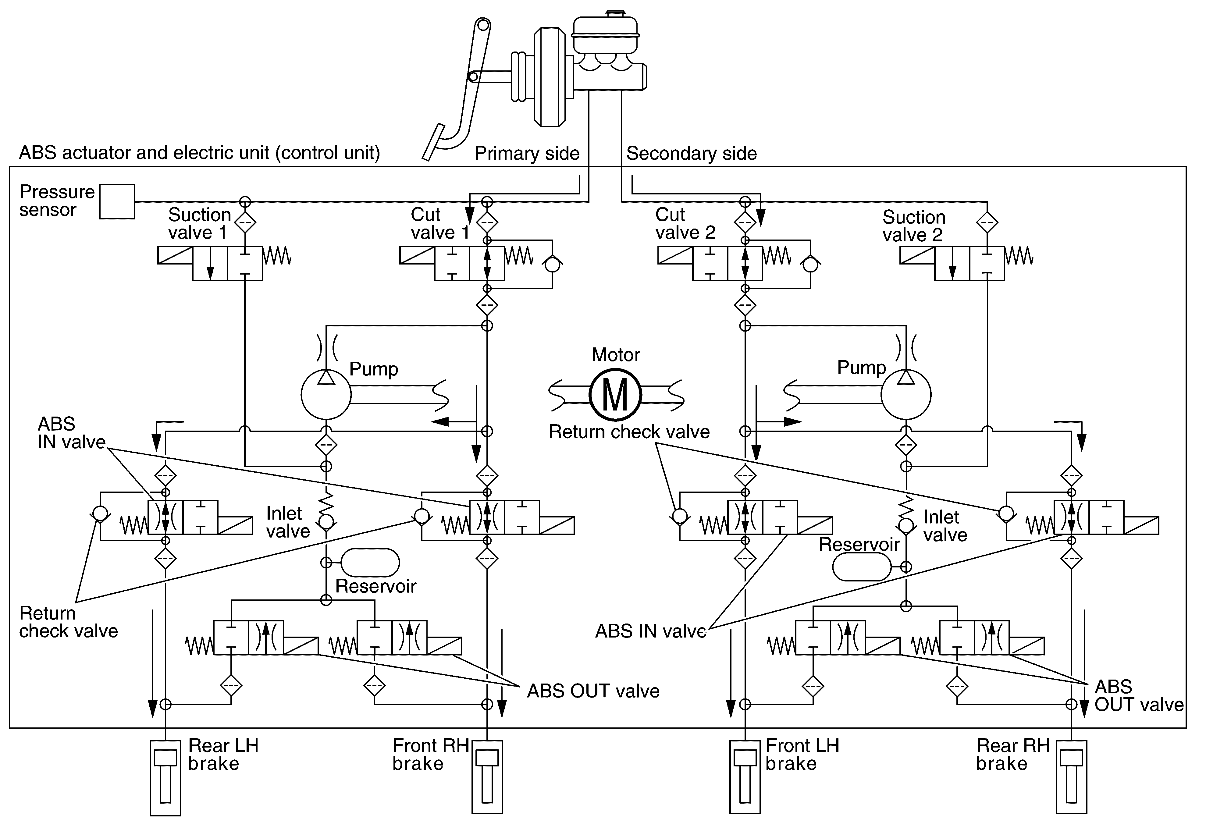
When ABS Function is in Operation (During Pressure Decreases)
|
Component parts |
Not activated |
When pressure decreases |
|
Cut valve 1 |
Power supply is not supplied (open) |
Power supply is not supplied (open) |
|
Cut valve 2 |
Power supply is not supplied (open) |
Power supply is not supplied (open) |
|
Suction valve 1 |
Power supply is not supplied (close) |
Power supply is not supplied (close) |
|
Suction valve 2 |
Power supply is not supplied (close) |
Power supply is not supplied (close) |
|
ABS IN valve |
Power supply is not supplied (open) |
Power supply is supplied (close) |
|
ABS OUT valve |
Power supply is not supplied (close) |
Power supply is supplied (open) |
|
Each brake (fluid pressure) |
-- |
Pressure decreases |
During pressure front RH brake decreased
- Since the ABS IN valve is closed and the ABS OUT valve is opened, fluid pressure applied on the front RH brake is supplied to the reservoir through the ABS OUT valve. This fluid pressure decreases when sent to the master cylinder by the pump.
During pressure front LH brake decreased
- Since the ABS IN valve is closed and the ABS OUT valve is opened, fluid pressure applied on the front LH brake is supplied to the reservoir through the ABS OUT valve. This fluid pressure decreases when sent to the master cylinder by the pump.
During pressure rear RH brake decreased
- Since the ABS IN valve is closed and the ABS OUT valve is opened, fluid pressure applied on the rear RH brake is supplied to the reservoir through the ABS OUT valve. This fluid pressure decreases when sent to the master cylinder by the pump.
During pressure rear LH brake decreased
- Since the ABS IN valve is closed and the ABS OUT valve is opened, fluid pressure applied on the rear LH brake is supplied to the reservoir through the ABS OUT valve. This fluid pressure decreases when sent to the master cylinder by the pump.
When Brake Release
|
Component pars |
Not activated |
When pressure decrease |
|
Cut valve 1 |
Power supply is not supplied (open) |
Power supply is not supplied (open) |
|
Cut valve 2 |
Power supply is not supplied (open) |
Power supply is not supplied (open) |
|
Suction valve 1 |
Power supply is not supplied (close) |
Power supply is not supplied (close) |
|
Suction valve 2 |
Power supply is not supplied (close) |
Power supply is not supplied (close) |
|
ABS IN valve |
Power supply is not supplied (open) |
Power supply is not supplied (open) |
|
ABS OUT valve |
Power supply is not supplied (close) |
Power supply is not supplied (close) |
|
Each brake (fluid pressure) |
-- |
Pressure decreases |
During pressure front RH brake release
- Brake fluid is supplied to the front RH brake through the return check valve of the ABS IN valve and the cut valve 1, and returns to the master cylinder.
During pressure front LH brake release
- Brake fluid is supplied to the front LH brake through the return check valve of the ABS IN valve and the cut valve 2, and returns to the master cylinder.
During pressure rear RH brake release
- Brake fluid is supplied to the rear RH brake through the return check valve of the ABS IN valve and the cut valve 2, and returns to the master cylinder.
During pressure rear LH brake release
- Brake fluid is supplied to the rear LH brake through the return check valve of the ABS IN valve and the cut valve 1, and returns to the master cylinder.
Component Parts and Function
|
Component parts |
Function |
|
Pump |
|
|
Motor |
Activates the pump according to signals from ABS actuator and electric unit (control unit). |
|
Cut valve 1 Cut valve 2 |
Shuts off the ordinary brake line from master cylinder. |
|
Suction valve 1 Suction valve 2 |
Supplies the brake fluid from master cylinder to the pump. |
|
ABS IN valve |
Switches the fluid pressure line to increase or hold according. |
|
ABS OUT valve |
Switches the fluid pressure line to increase, hold or decrease according. |
|
Return check valve |
Returns the brake fluid from each brake to master cylinder by bypassing orifice of each valve when brake is released. |
|
Reservoir |
Temporarily reserves the brake fluid drained from each brake, so that pressure efficiently decreases when decreasing pressure of each brake. |
|
Pressure sensor |
Detects the brake fluid pressure and transmits signal to ABS actuator and electric unit (control unit). |