LEMON Manuals: Even more car manuals for everyone: 1960-2025
Home >> Nissan-Datsun >> 2021 >> Maxima SV >> Repair and Diagnosis >> Engine Mechanical >> Engine Lubrication System >> System Description >> Lubrication System >> Engine Lubrication System Schematic
April 5, 2026: LEMON Manuals is launched! Read the announcement.

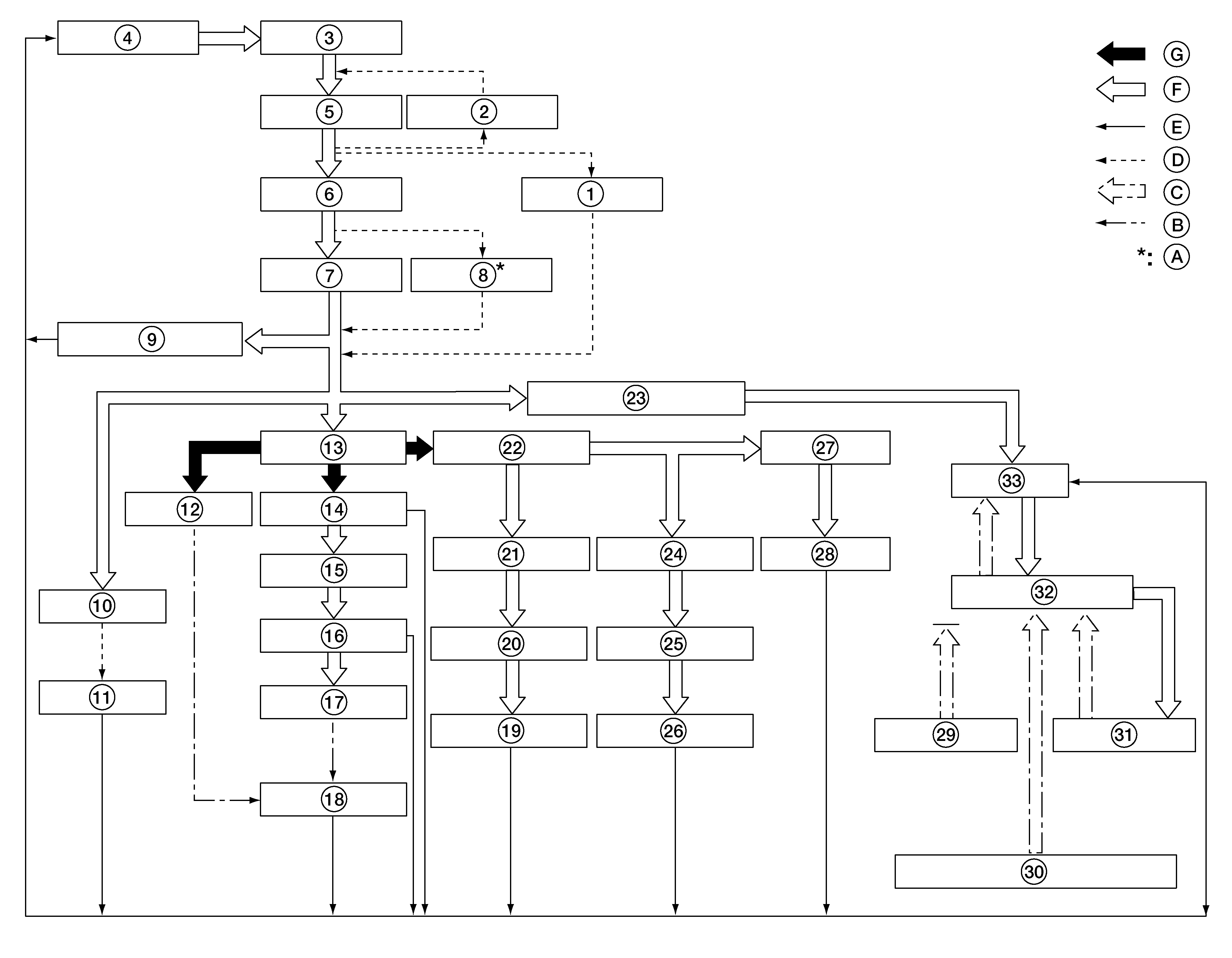
Engine Lubrication System Schematic

GNSAWBIA2483Z-483Courtesy of NISSAN NORTH AMERICA, INC.

1.

Relief valve

2.

Regulator valve

3.

Oil strainer

4.

Oil pan

5.

Oil pump

6.

Oil cooler

7.

Oil filter

8.

Relief valve

9.

Timing chain tensioner (primary)

10.

Timing chain oil jet

11.

Timing chain

12.

Piston oil jet

13.

Main oil gallery

14.

Main bearing

15.

Crankshaft

16.

Connecting rod bearing

17.

Connecting rod

18.

Piston

19.

Intake camshaft journal (No. 3, 4)

20.

Camshaft oil passage

21.

Intake camshaft journal (No. 2)

22.

Cylinder head oil gallery

23.

Rear timing chain case

24.

Exhaust camshaft journal (No. 1)

25.

Camshaft oil passage

26.

Exhaust camshaft journal (No. 2, 3, 4)

27.

Timing chain tensioner (secondary oil gallery)

28.

Timing chain tensioner (secondary)

29.

Intake valve timing control solenoid valve (bank 2)

30.

Exhaust valve timing control solenoid valve (bank 2)

31.

Intake valve timing intermediate lock control solenoid valve (bank 2)

A.

Built into oil filter

B.

Oil injection

C.

Return oil passage

D.

Bypass

E.

To oil pan

F.

Oil passage

G.

Main oil gallery