LEMON Manuals: Even more car manuals for everyone: 1960-2025
Home >> Nissan-Datsun >> 2021 >> Sentra S >> Repair and Diagnosis >> Accessories & Equipment >> Anti-Theft Systems >> Security Control System - Intelligent Key System >> Wiring Diagram >> Intelligent Key System/Engine Start Function >> Wiring Diagram
April 5, 2026: LEMON Manuals is launched! Read the announcement.

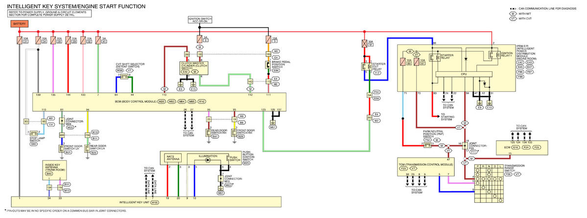
Intelligent Key System/Engine Start Function: Wiring Diagram

GNS2190C015501-501Courtesy of EWD