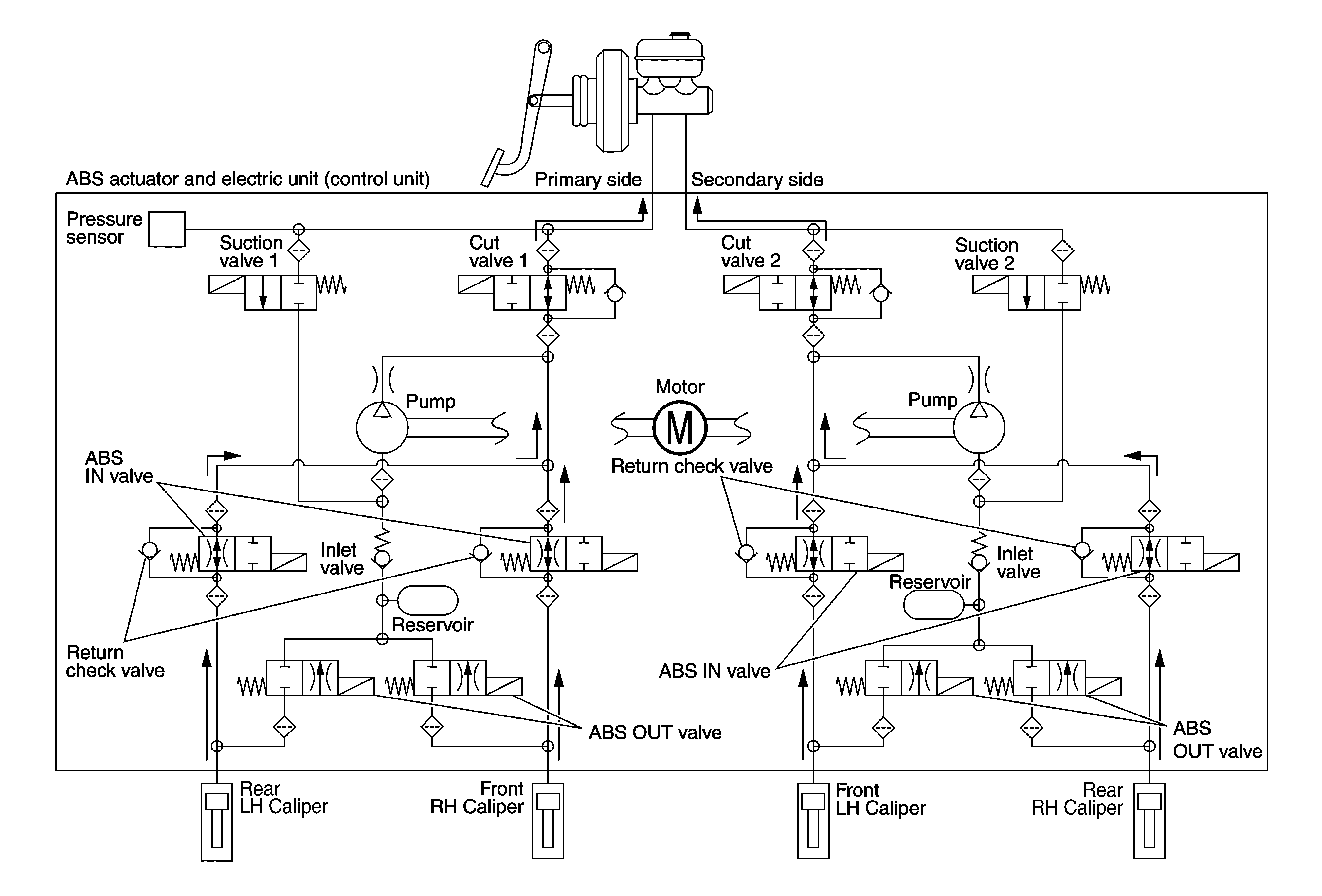
Valve Operation (VDC And TCS Functions)
The control unit built into the ABS actuator and electric unit (control unit) controls fluid pressure of the brake calipers by operating each valve.
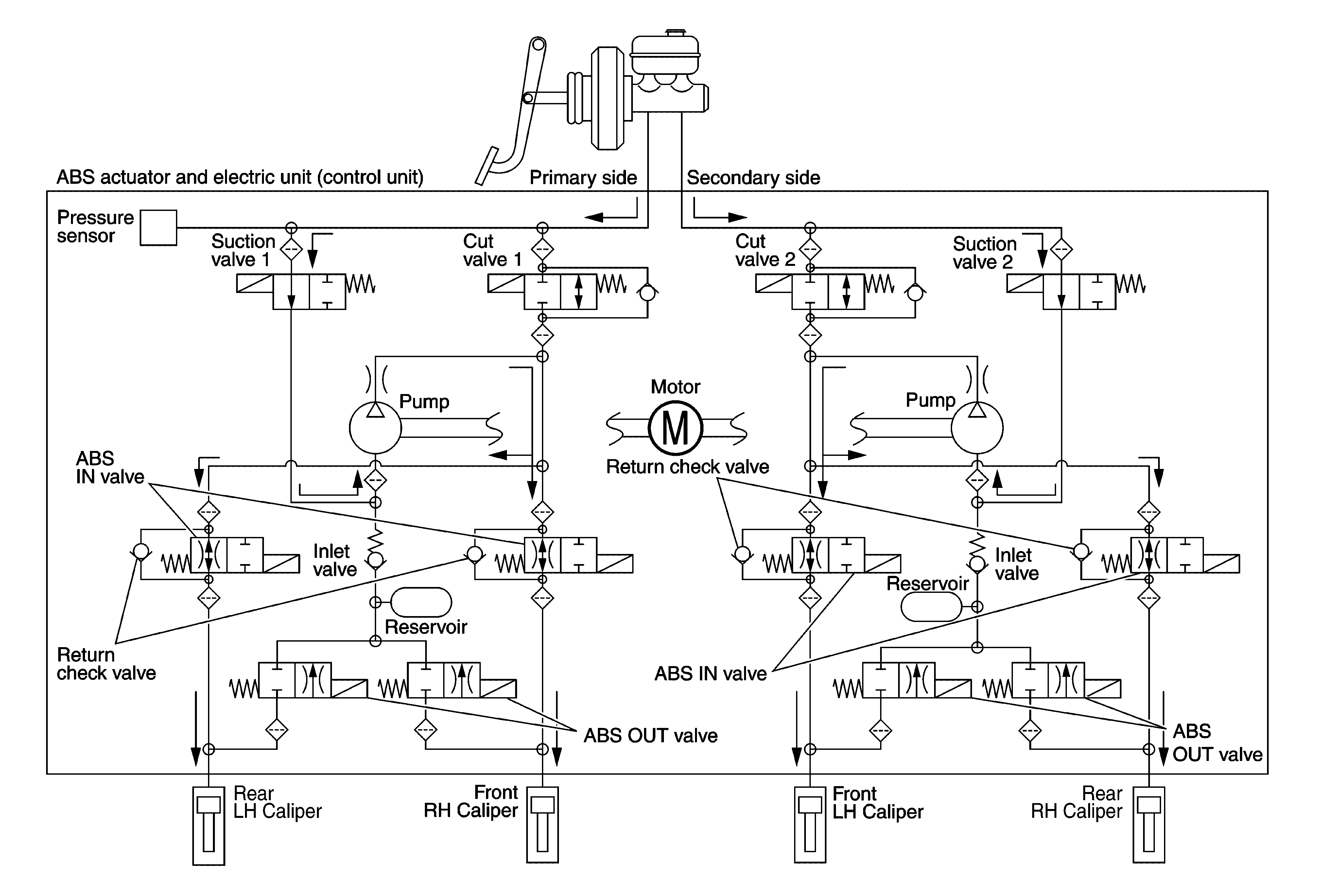
VDC and TCS Functions are Operating (Pressure Increases)
|
Name |
Not activated |
Pressure increases |
|
Cut valve 1 |
Power supply is not supplied (open) |
Power supply is supplied (close) |
|
Cut valve 2 |
Power supply is not supplied (open) |
Power supply is supplied (close) |
|
Suction valve 1 |
Power supply is not supplied (close) |
Power supply is supplied (open) |
|
Suction valve 2 |
Power supply is not supplied (close) |
Power supply is supplied (open) |
|
ABS IN valve |
Power supply is not supplied (open) |
Power supply is not supplied (open) |
|
ABS OUT valve |
Power supply is not supplied (close) |
Power supply is not supplied (close) |
|
Each brake caliper (fluid pressure) |
-- |
Pressure increases |
Front RH brake caliper
- Brake fluid is conveyed to the pump from the master cylinder through suction valve 1 and is pressurized by the pump operation. The pressurized brake fluid is supplied to the front RH brake caliper through the ABS IN valve. For the left caliper, brake fluid pressure is maintained because the pressurization is unnecessary. The pressurization for the left caliper is controlled separately from the right caliper.
Front LH brake caliper
- Brake fluid is conveyed to the pump from the master cylinder through suction valve 2 and is pressurized by the pump operation. The pressurized brake fluid is supplied to the front LH brake caliper through the ABS IN valve. For the right caliper, brake fluid pressure is maintained because the pressurization is unnecessary. The pressurization for the right caliper is controlled separately from the left caliper.
Rear RH brake caliper
- Brake fluid is conveyed to the pump from the master cylinder through suction valve 2 and is pressurized by the pump operation. The pressurized brake fluid is supplied to the rear RH brake caliper through the ABS IN valve. For the left caliper, brake fluid pressure is maintained because the pressurization is unnecessary. The pressurization for the left caliper is controlled separately from the right caliper.
Rear LH brake caliper
- Brake fluid is conveyed to the pump from the master cylinder through suction valve 1 and is pressurized by the pump operation. The pressurized brake fluid is supplied to the rear LH brake caliper through the ABS IN valve. For the right caliper, brake fluid pressure is maintained because the pressurization is unnecessary. The pressurization for the right caliper is controlled separately from the left caliper.
VDC and TCS Functions Start Operating (Pressure Holds)
|
Name |
Not activated |
Pressure holds |
|
Cut valve 1 |
Power supply is not supplied (open) |
Power supply is supplied (close) |
|
Cut valve 2 |
Power supply is not supplied (open) |
Power supply is supplied (close) |
|
Suction valve 1 |
Power supply is not supplied (close) |
Power supply is not supplied (close) |
|
Suction valve 2 |
Power supply is not supplied (close) |
Power supply is not supplied (close) |
|
ABS IN valve |
Power supply is not supplied (open) |
Power supply is not supplied (open) |
|
ABS OUT valve |
Power supply is not supplied (close) |
Power supply is not supplied (close) |
|
Each brake caliper (fluid pressure) |
-- |
Pressure holds |
Front RH brake caliper
- Since the cut valve 1 and the suction valve 1 are closed, the front RH brake caliper, master cylinder, and reservoir are blocked. This maintains fluid pressure applied on the front RH brake caliper. The pressurization for the left caliper is controlled separately from the right caliper.
Front LH brake caliper
- Since the cut valve 2 and the suction valve 2 are closed, the front LH brake caliper, master cylinder, and reservoir are blocked. This maintains fluid pressure applied on the front LH brake caliper. The pressurization for the right caliper is controlled separately from the left caliper.
Rear RH brake caliper
- Since the cut valve 2 and the suction valve 2 are closed, the rear RH brake caliper, master cylinder, and reservoir are blocked. This maintains fluid pressure applied on the rear RH brake caliper. The pressurization for the left caliper is controlled separately from the right caliper.
Rear LH brake caliper
- Since the cut valve 1 and the suction valve 1 are closed, the rear LH brake caliper, master cylinder, and reservoir are blocked. This maintains fluid pressure applied on the rear LH brake caliper. The pressurization for the right caliper is controlled separately from the left caliper.
VDC and TCS Functions Operating (Pressure Decreases)
|
Name |
Not activated |
Pressure decreases |
|
Cut valve 1 |
Power supply is not supplied (open) |
Power supply is not supplied (open) |
|
Cut valve 2 |
Power supply is not supplied (open) |
Power supply is not supplied (open) |
|
Suction valve 1 |
Power supply is not supplied (close) |
Power supply is not supplied (close) |
|
Suction valve 2 |
Power supply is not supplied (close) |
Power supply is not supplied (close) |
|
ABS IN valve |
Power supply is not supplied (open) |
Power supply is not supplied (open) |
|
ABS OUT valve |
Power supply is not supplied (close) |
Power supply is not supplied (close) |
|
Each brake caliper (fluid pressure) |
-- |
Pressure decreases |
Front RH brake caliper
- Since the suction valve 1 and the ABS OUT valve are closed and the cut valve 1 and the ABS IN valve are open, the fluid pressure applied on the front RH brake caliper is reduced by supplying the fluid pressure to the master cylinder via the ABS IN valve and the cut valve 1. The pressurization for the right caliper is controlled separately from the left caliper.
Front LH brake caliper
- Since the suction valve 2 and the ABS OUT valve are closed and the cut valve 2 and the ABS IN valve are open, the fluid pressure applied on the front LH brake caliper is reduced by supplying the fluid pressure to the master cylinder via the ABS IN valve and the cut valve 2. The pressurization for the left caliper is controlled separately from the right caliper.
Rear RH brake caliper
- Since the suction valve 2 and the ABS OUT valve are closed and the cut valve 2 and the ABS IN valve are open, the fluid pressure applied on the rear RH brake caliper is reduced by supplying the fluid pressure to the master cylinder via the ABS IN valve and the cut valve 2. The pressurization for the right caliper is controlled separately from the left caliper.
Rear LH brake caliper
- Since the suction valve 1 and the ABS OUT valve are closed and the cut valve 1 and the ABS IN valve are open, the fluid pressure applied on the rear LH brake caliper is reduced by supplying the fluid pressure to the master cylinder via the ABS IN valve and the cut valve 1. The pressurization for the right caliper is controlled separately from the left caliper.
Component Parts and Function
|
Component |
Function |
|
Pump |
Returns the brake fluid reserved in reservoir to master cylinder by reducing pressure. |
|
Motor |
Activates the pump according to signals from ABS actuator and electric unit (control unit). |
|
Cut valve 1 Cut valve 2 |
Shuts off the ordinary brake line from master cylinder. |
|
Suction valve 1 Suction valve 2 |
Supplies the brake fluid from master cylinder to the pump. |
|
ABS IN valve |
Switches the fluid pressure line to increase or hold according to signals from control unit. |
|
ABS OUT valve |
Switches the fluid pressure line to increase, hold or decrease according to signals from control unit. |
|
Return check valve |
Returns the brake fluid from brake caliper to master cylinder by bypassing orifice of each valve when brake is released. |
|
Reservoir |
Temporarily reserves the brake fluid drained from brake caliper so that pressure efficiently decreases when decreasing pressure of brake caliper. |
|
Pressure sensor |
Detects the brake fluid pressure and transmits signal to ABS actuator and electric unit (control unit). |