LEMON Manuals: Even more car manuals for everyone: 1960-2025
Home >> Toyota >> 2004 >> Matrix Base, FWD, Automatic >> Repair and Diagnosis >> External Pages >> Different car >> Section 136 (Engine Control System Self Diagnostics - 4-Cylinder) >> Diagnostic Tests >> DTC P0036: Oxygen Sensor Heater Control Circuit (Bank 1 Sensor 2) >> Diagnosis & Repair
April 5, 2026: LEMON Manuals is launched! Read the announcement.

Diagnosis & Repair

WARNING: This page is about a different car, the 2003 Toyota Tacoma. However, it is still accessible from the selected car via links, so may be relevant.

Read freeze frame data using the hand-held tester or the OBD II scan tool, as freeze frame data records the engine conditions when a malfunction is detected.

For diagnosis and repair procedure, see Fig 1 & Fig 2 .

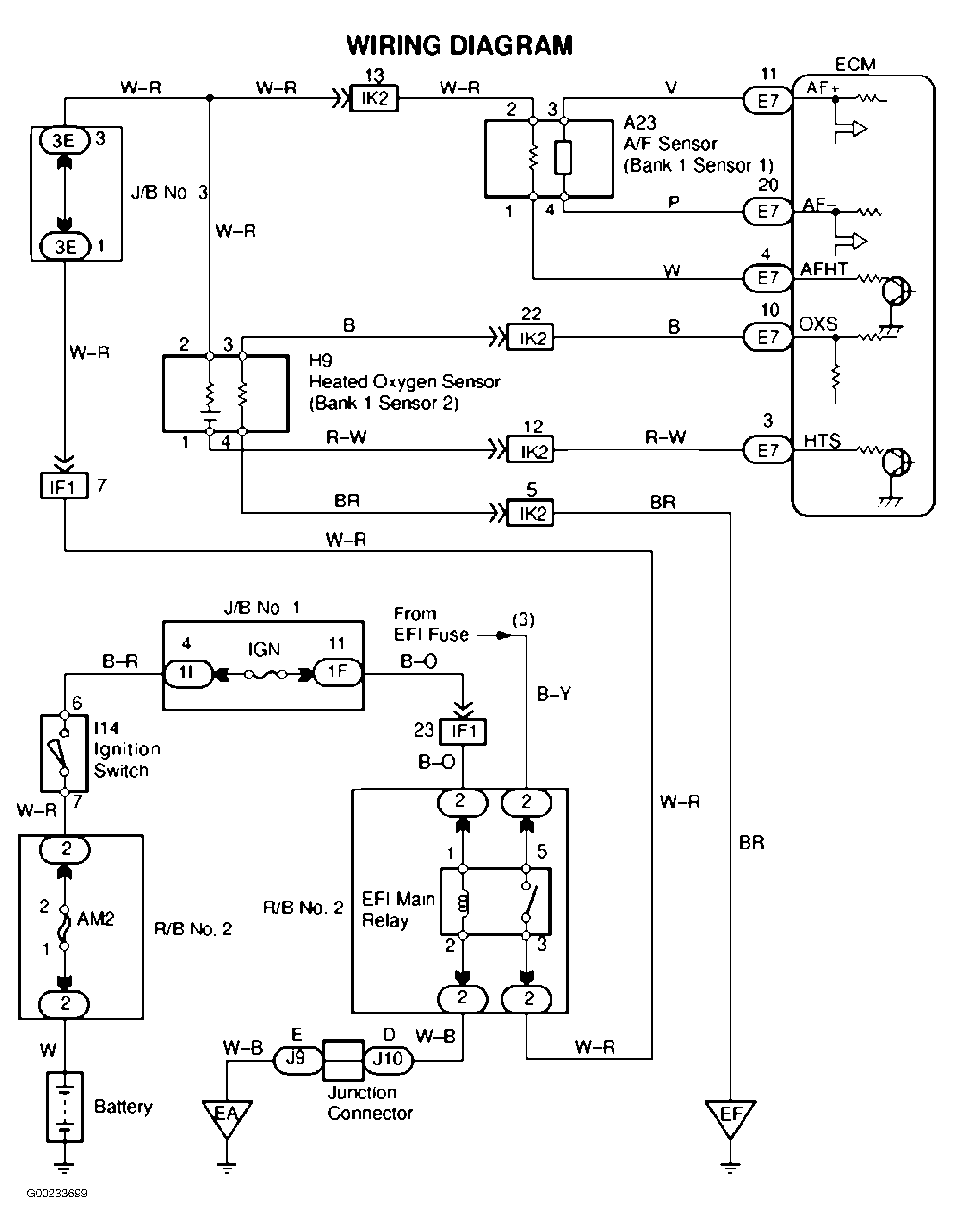
For A/F sensor circuit wiring diagram, see Figure. When access to, or replacement of ECM is necessary, Engine Control Module (ECM) is located behind glove box. See Figure. For ECM connector terminal view, see Figure. For testing of systems or components, see SYSTEM & COMPONENT TESTING - 4-CYLINDER article. For removal and installation of components, see REMOVAL, OVERHAUL & INSTALLATION - 4-CYLINDER article.

Fig 1: DTC P0036 Diagnostic Procedure (Steps 1-2)
G00233706Courtesy of © TOYOTA, LICENSE AGREEMENT TMS1002
Fig 2: DTC P0036 Diagnostic Procedure (Step 3)
G00233707Courtesy of © TOYOTA, LICENSE AGREEMENT TMS1002