LEMON Manuals: Even more car manuals for everyone: 1960-2025
Home >> Lexus >> 2007 >> RX 400h AWD >> Repair and Diagnosis >> External Pages >> Different car >> Section 176 (Lighting System) >> Lighting System >> Front Fog Light Circuit >> Inspection Procedure
April 5, 2026: LEMON Manuals is launched! Read the announcement.

Inspection Procedure

WARNING: This page is about a different car, the 2007 Toyota RAV4. However, it is still accessible from the selected car via links, so may be relevant.
  1. PERFORM ACTIVE TEST BY INTELLIGENT TESTER 
    1. Connect the intelligent tester (with CAN VIM) to the DLC3.
    2. Turn the ignition switch to the ON position and press the intelligent tester main switch ON.
    3. Select the item below in the ACTIVE TEST and then check the relay operation.

      Main body ECU 

      ACTIVE TEST REFERENCE (MAIN BODY ECU)

      Item Test Details Diagnostic Note
      F FOG LIGHT RLY Turn front fog light relay: ON / OFF -

      OK: Front fog light comes on. 

    OK: Go to step   9 

    NG: Go TO NEXT STEP. 

  2. CHECK TAILLIGHT 
    1. Check that the taillight comes on when the light control switch is on (TAIL).

      OK: Taillight comes on. 

    NG: GO TO  TAILLIGHT RELAY CIRCUIT  

    OK: Go TO NEXT STEP. 

  3. INSPECT FUSE (FR FOG) 
    1. Remove the FR FOG fuse from the instrument panel junction block.
    2. Measure the resistance of the fuses.

      Standard resistance: 

      Below 1 Ω 

    NG: REPLACE FUSE 

    OK: Go TO NEXT STEP. 

  4. INSPECT FOG LIGHT BULB 
    1. Remove the fog light bulb.
    2. Connect the positive (+) lead from the battery to terminal 2 and the negative (-) lead to terminal 1, then check that the bulb illuminates.
      Fig 1: Battery Connection To Fog Light Bulb Terminals
      G04490758Courtesy of © TOYOTA, LICENSE AGREEMENT TMS1002

      OK: Bulb illuminates. 

    NG: REPLACE FOG LIGHT BULB 

    OK: Go TO NEXT STEP. 

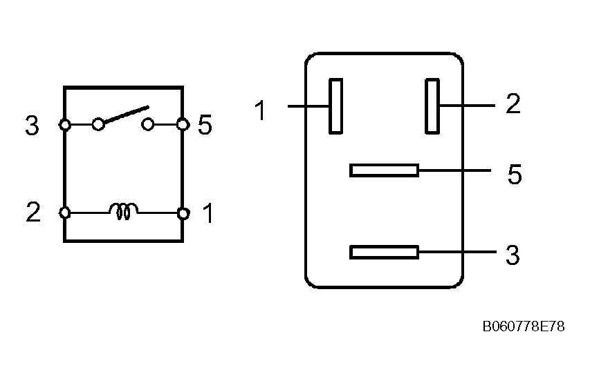
  5. INSPECT FRONT FOG LIGHT RELAY (Marking: FR FOG) 
    1. Remove the front fog light relay from the No. 6 relay block.
    2. Measure the resistance of the relay.

      Standard resistance 

      RESISTANCE SPECIFIED CONDITIONS

      Tester Connection Specified Condition
      3 - 5 10 kΩ or higher
      3 - 5 Below 1 Ω
      (Battery voltage applied to terminals 1 and 2)
      Fig 2: Identifing Front Fog Light Relay (Marking: FR FOG) Terminals
      G04490759Courtesy of © TOYOTA, LICENSE AGREEMENT TMS1002

    NG: REPLACE FRONT FOG LIGHT RELAY 

    OK: Go TO NEXT STEP. 

  6. CHECK WIRE HARNESS (BATTERY - MAIN BODY ECU) 
    1. Disconnect the E17 ECU connector.
    2. Measure the voltage of the wire harness side connector.

      Standard voltage 

      VOLTAGE SPECIFIED CONDITIONS

      Tester Connection Condition Specified Condition
      E17-17 (FFGO) - Body ground Light control switch on (TAIL) 10 to 14 V
      Fig 3: Identifying E17 ECU Connector Terminals
      G04490760Courtesy of © TOYOTA, LICENSE AGREEMENT TMS1002

    NG: REPAIR OR REPLACE HARNESS AND CONNECTOR 

    OK: Go TO NEXT STEP. 

  7. CHECK WIRE HARNESS (FRONT FOG LIGHT RELAY - BATTERY) 
    1. Remove the front fog light relay from the No. 6 relay block.
    2. Measure the voltage of the relay block.

      Standard voltage 

      VOLTAGE SPECIFIED CONDITIONS

      Tester Connection Specified Condition
      No. 6 relay block front fog light relay terminal 5 - Body ground 10 to 14 V
      Fig 4: Identifying Front Fog Light Relay & No. 6 Relay Block
      G04490761Courtesy of © TOYOTA, LICENSE AGREEMENT TMS1002

    NG: REPAIR OR REPLACE HARNESS AND CONNECTOR 

    OK: Go TO NEXT STEP. 

  8. CHECK WIRE HARNESS (FRONT FOG LIGHT RELAY - FRONT FOG LIGHT AND BODY GROUND) 
    1. Remove the front fog light relay from the No. 6 relay block. (See Fig 5).
    2. Disconnect the A11 and A28 front fog light connectors.
    3. Measure the resistance of the wire harness side connectors.

      Standard resistance 

      RESISTANCE SPECIFIED CONDITIONS

      Tester Connection Specified Condition
      No. 6 relay block front fog light relay terminal 3 - A11-2 Below 1 Ω
      No. 6 relay block front fog light relay terminal 3 or A11-2 - Body ground 10 kΩ or higher
      No. 6 relay block front fog light relay terminal 3 - A28-2 Below 1 Ω
      No. 6 relay block front fog light relay terminal 3 or A28-2 - Body ground 10 kΩ or higher
      A11-1 - Body ground Below 1 Ω
      A28-1 - Body ground Below 1 Ω
      Fig 5: Identifying No. 6 Relay Block, A11 & A28 Front Fog Light Connector Terminals
      G04490762Courtesy of © TOYOTA, LICENSE AGREEMENT TMS1002

    NG: REPAIR OR REPLACE HARNESS AND CONNECTOR 

    OK: REPLACE INSTRUMENT PANEL JUNCTION BLOCK (MAIN BODY ECU) 

  9. CHECK WIRE HARNESS (DIMMER SWITCH - MAIN BODY ECU AND BODY GROUND) 
    Fig 6: Identifying E12 Dimmer Switch And E17 Main Body ECU Connector Terminals
    G04490763Courtesy of © TOYOTA, LICENSE AGREEMENT TMS1002
    1. Disconnect the E12 headlight dimmer switch connector.
    2. Disconnect the E17 main body ECU connector.
    3. Measure the resistance of the wire harness side connectors.

      Standard resistance 

      RESISTANCE SPECIFIED CONDITIONS

      Tester Connection Specified Condition
      E17-13 (FFOG) - E12-4 (BFG) Below 1 Ω
      E17-13 (FFOG) or E12-4 (BFG) - Body ground 10 kΩ or higher

    NG: REPAIR OR REPLACE HARNESS AND CONNECTOR 

    OK: Go TO NEXT STEP. 

  10. INSPECT FOG LIGHT SWITCH 
    1. Remove the headlight dimmer switch.
    2. Measure the resistance of the switch.

      Standard resistance 

      RESISTANCE SPECIFIED CONDITIONS

      Tester Connection Condition Specified Condition
      4 (BFG) - 3 (LFG) Fog light switch OFF 10 kΩ or higher
      4 (BFG) - 3 (LFG) Fog light switch ON Below 1 Ω
      Fig 7: Identifying Headlight Dimmer Switch Connector Terminals
      G04490764Courtesy of © TOYOTA, LICENSE AGREEMENT TMS1002

    NG: REPLACE HEADLIGHT DIMMER SWITCH ASSEMBLY 

    OK: REPAIR OR REPLACE HARNESS AND CONNECTOR (HEADLIGHT DIMMER SWITCH - BODY GROUND)